Şirket Logosu
Sağ Logo
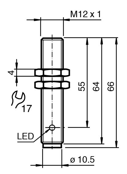
Ankasan Sensör Teknolojileri – NBB2-12GM65-E2-V1-M1-Y0090 293454-0090 Ürün Detayı

Pepperl Fuchs > Endüstriyel Sensörler > Yakınlık Sensörleri > Endüktif Sensörler

NBB2-12GM65-E2-V1-M1-Y0090 - 293454-0090

Endüktif Sensör

Öne Çıkan Özellikler

Extended temperature range

-40 ... +85 °C

2 mm flush

With increased sealing, protection class

IP68 / IP69K

E1-Type approval

📄 Datasheet İndir 💬 Teklif Al

WhatsApp
Ankasan
Çevrimiçi

Merhaba 👋
Size nasıl yardımcı olabiliriz?