Şirket Logosu
Sağ Logo
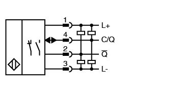
Ankasan Sensör Teknolojileri – OBD1400-R200-2EP-IO-0,3M-V31 295670-100003 Ürün Detayı

Pepperl Fuchs > Endüstriyel Haberleşme ve Arayüzler > IO-Link > IO-Link Cihazları

OBD1400-R200-2EP-IO-0,3M-V31 - 295670-100003

Cisimden Yansımalı Sensör

Öne Çıkan Özellikler

Medium design with versatile mounting options

Extended temperature range

-40 °C ... 60 °C

High degree of protection IP69K

IO-Link interface for service and process data

📄 Datasheet İndir 💬 Teklif Al

WhatsApp
Ankasan
Çevrimiçi

Merhaba 👋
Size nasıl yardımcı olabiliriz?