Şirket Logosu
Sağ Logo
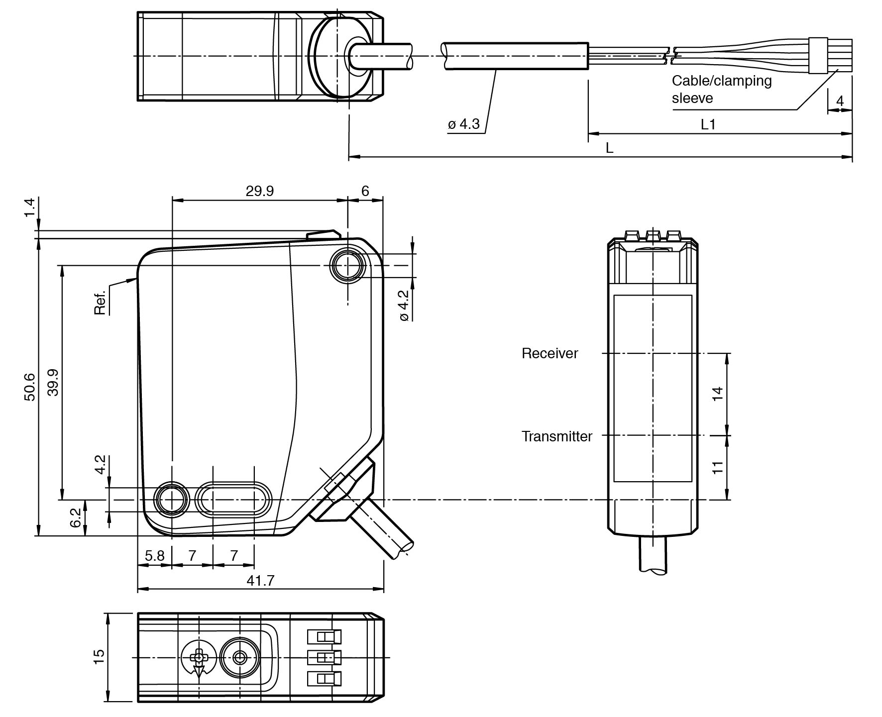
Ankasan Sensör Teknolojileri – OBR15M-R200-2EP-IO 295670-100011 Ürün Detayı

Pepperl Fuchs > Endüstriyel Haberleşme ve Arayüzler > IO-Link > IO-Link Cihazları

OBR15M-R200-2EP-IO - 295670-100011

Polarizasyon Filtreli Reflektörlü Sensör

Öne Çıkan Özellikler

Medium design with versatile mounting options

Extended temperature range

-40 °C ... 60 °C

High degree of protection IP69K

IO-Link interface for service and process data

📄 Datasheet İndir 💬 Teklif Al

WhatsApp
Ankasan
Çevrimiçi

Merhaba 👋
Size nasıl yardımcı olabiliriz?