Şirket Logosu
Sağ Logo
Ankasan Sensör Teknolojileri – NSB5-18GM50-2E2-S2D2 304276-000021 Ürün Detayı

Pepperl Fuchs > Endüstriyel Sensörler > Fabrika Otomasyonu için Emniyet > Performance Level d

NSB5-18GM50-2E2-S2D2 - 304276-000021

Endüktif Sensör

Öne Çıkan Özellikler

No unusable area

5 mm flush

Use of standard metallic actuating surfaces

Applications up to Cat. 2, PLd/SIL 2 possible (can be used redundantly up to Cat. 3, PLe/SIL 3)

LED for switching state and fault indication

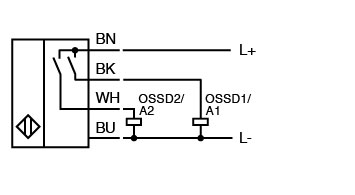
Safety outputs OSSD

TÜV certified

📄 Datasheet İndir 💬 Teklif Al

WhatsApp
Ankasan
Çevrimiçi

Merhaba 👋
Size nasıl yardımcı olabiliriz?