Şirket Logosu
Sağ Logo
Ankasan Sensör Teknolojileri – NSB10-30GM50-2E2-V1-M1-S2D2 304276-001033 Ürün Detayı

Pepperl Fuchs > Endüstriyel Sensörler > Fabrika Otomasyonu için Emniyet > Performance Level d

NSB10-30GM50-2E2-V1-M1-S2D2 - 304276-001033

Endüktif Sensör

Öne Çıkan Özellikler

No unusable area

10 mm flush

Use of standard metallic actuating surfaces

Applications up to Cat. 2, PLd/SIL 2 possible (can be used redundantly up to Cat. 3, PLe/SIL 3)

LED for switching state and fault indication

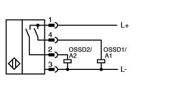
Safety outputs OSSD

E1-Type approval

Extended temperature range

-40 ... +85 °C

TÜV certified

10 V DC ... 30 V DC supply voltage

Max. altitude 5000 m

📄 Datasheet İndir 💬 Teklif Al

WhatsApp
Ankasan
Çevrimiçi

Merhaba 👋
Size nasıl yardımcı olabiliriz?