Şirket Logosu
Sağ Logo
Ankasan Sensör Teknolojileri – NSN8-18GH45-2E2-V1-M1-S2D2 304276-001052 Ürün Detayı

Pepperl Fuchs > Endüstriyel Sensörler > Fabrika Otomasyonu için Emniyet > Performance Level d

NSN8-18GH45-2E2-V1-M1-S2D2 - 304276-001052

Endüktif Sensör

Öne Çıkan Özellikler

No unusable area

8 mm non-flush

Use of standard metallic actuating surfaces

Applications up to Cat. 2, PLd/SIL 2 possible (can be used redundantly up to Cat. 3, PLe/SIL 3)

E1-Type approval

LED for switching state and fault indication

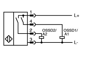
Safety outputs OSSD

Extended temperature range

-40 ... +85 °C

TÜV certified

10 V DC ... 30 V DC supply voltage

Max. altitude 5000 m

📄 Datasheet İndir 💬 Teklif Al

WhatsApp
Ankasan
Çevrimiçi

Merhaba 👋
Size nasıl yardımcı olabiliriz?