Şirket Logosu
Sağ Logo
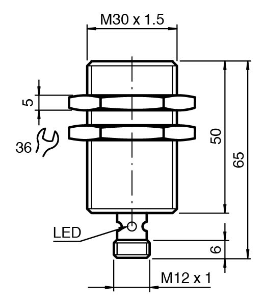
Ankasan Sensör Teknolojileri – NRB15-30GM50-E2-IO-C-V1 306533-0009 Ürün Detayı

Pepperl Fuchs > Endüstriyel Haberleşme ve Arayüzler > IO-Link > IO-Link Cihazları

NRB15-30GM50-E2-IO-C-V1 - 306533-0009

Endüktif Sensör

Öne Çıkan Özellikler

15 mm flush

Reduction factor = 1

Magnetic field resistant

Weld Immune

IO-Link interface for service and process data

Switch point mode or window mode can be set

Switching function, stability alarm and pulse extension can be set

📄 Datasheet İndir 💬 Teklif Al

WhatsApp
Ankasan
Çevrimiçi

Merhaba 👋
Size nasıl yardımcı olabiliriz?