Şirket Logosu
Sağ Logo
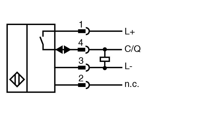
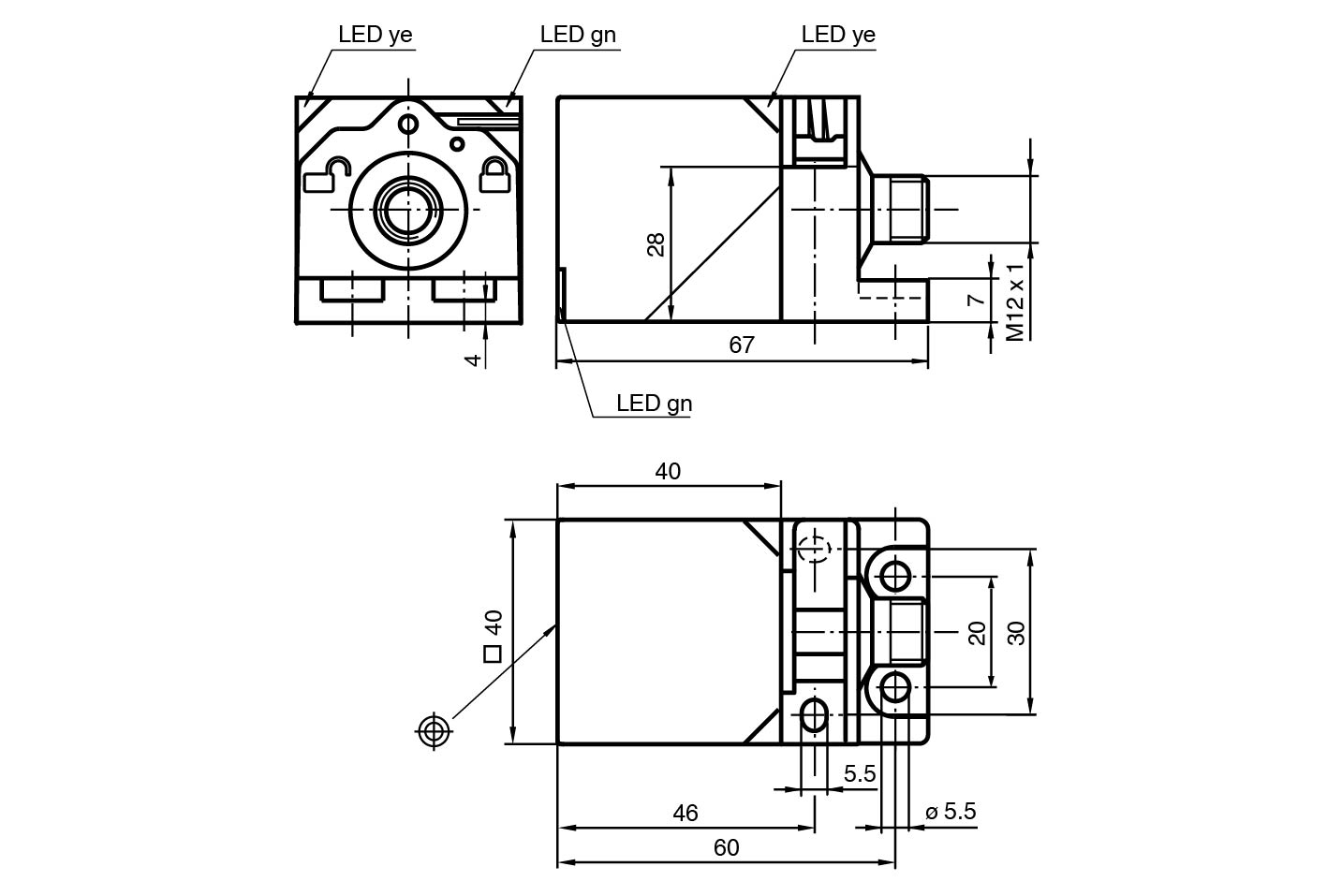
Ankasan Sensör Teknolojileri – NRB20-L3-E2-IO-C-V1 306534-0001 Ürün Detayı

Pepperl Fuchs > Endüstriyel Haberleşme ve Arayüzler > IO-Link > IO-Link Cihazları

NRB20-L3-E2-IO-C-V1 - 306534-0001

Endüktif Sensör

Öne Çıkan Özellikler

20 mm flush

Reduction factor = 1

Magnetic field resistant

Weld Immune

IO-Link interface for service and process data

Switch point mode or window mode can be set

Switching function, stability alarm and pulse extension can be set

4-way LED indicator

Quick Montaj braketi

📄 Datasheet İndir 💬 Teklif Al

WhatsApp
Ankasan
Çevrimiçi

Merhaba 👋
Size nasıl yardımcı olabiliriz?