Şirket Logosu
Sağ Logo
Ankasan Sensör Teknolojileri – M-LB-2114.SP 313288 Ürün Detayı

Pepperl Fuchs > Tehlikeli Alan Ürünleri ve Çözümleri > Aşırı Gerilim Koruma Bariyerleri > Sinyal Hattı Koruma Cihazları

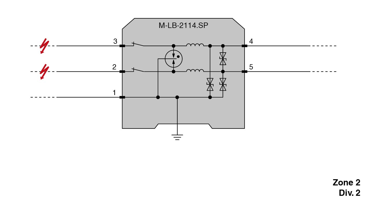
M-LB-2114.SP - 313288

Aşırı Gerilim Koruması Bariyeri

Öne Çıkan Özellikler

Aşırı Gerilim Koruması barrier for 2 signal lines

Nominal voltage 1 V DC

Aşırı Gerilim Koruması barrier for grounded signal lines

Max. surge current (8/20 µs) 20 kA

Connection via spring terminals with push-in Bağlantı Teknolojisi

DIN rail mountable

Up to SIL 3 acc. to IEC/EN 61508

📄 Datasheet İndir 💬 Teklif Al

WhatsApp
Ankasan
Çevrimiçi

Merhaba 👋
Size nasıl yardımcı olabiliriz?