Şirket Logosu
Sağ Logo
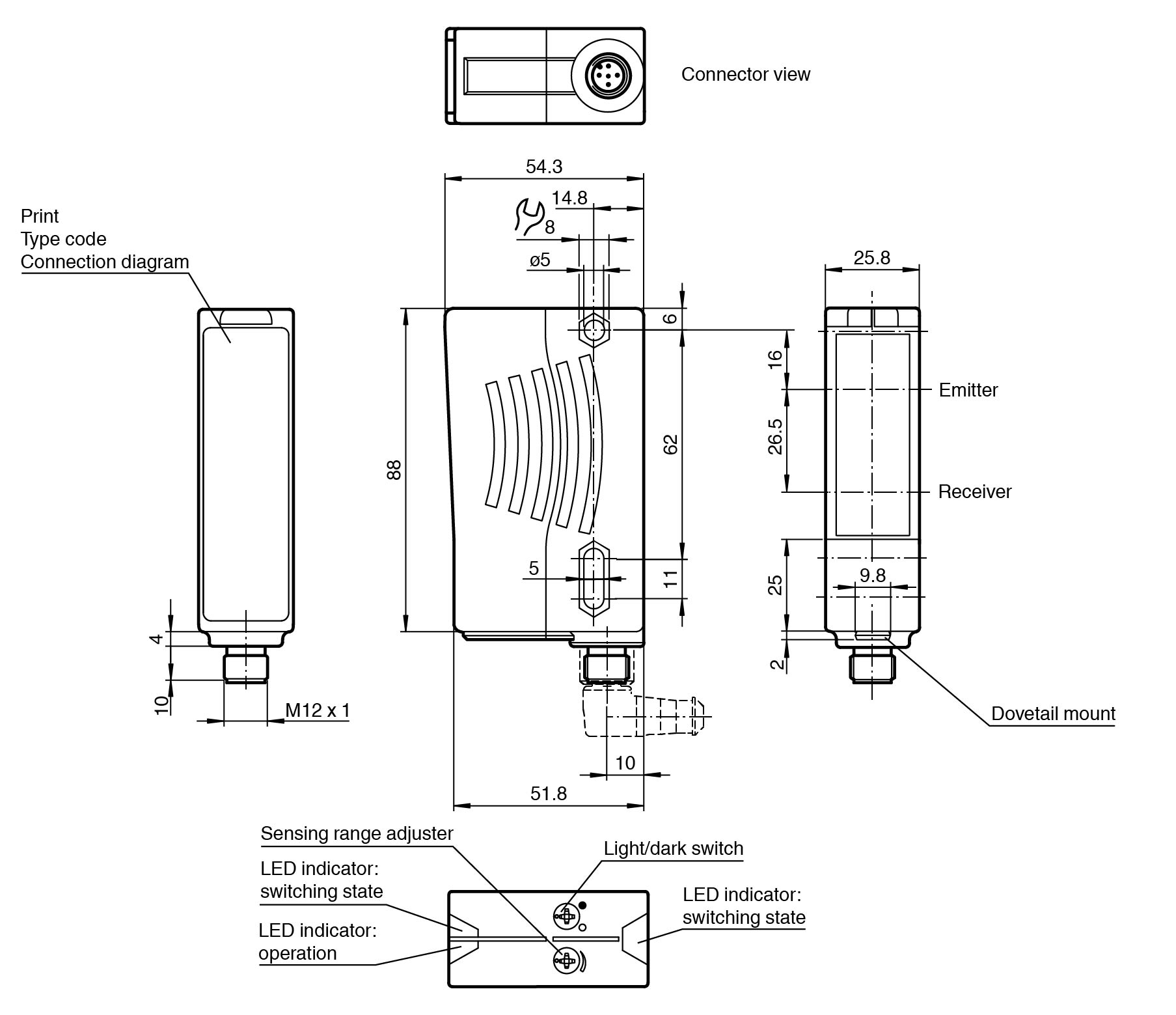
Ankasan Sensör Teknolojileri – RL28-8-H-700-RT/47/105 419618 Ürün Detayı

Pepperl Fuchs > Endüstriyel Sensörler > Fotoelektrik Sensörler > Cisimden Yansımalı Sensörler

RL28-8-H-700-RT/47/105 - 419618

Arka Fon Bastırma Sensörü

Öne Çıkan Özellikler

Ultra bright LEDs for power on and switching state

Good alignability due to red transmission LED

Not sensitive to ambient light, even with switched energy saving lamps

Waterproof, degree of protection IP67

Protection class II

📄 Datasheet İndir 💬 Teklif Al

WhatsApp
Ankasan
Çevrimiçi

Merhaba 👋
Size nasıl yardımcı olabiliriz?