Şirket Logosu
Sağ Logo
Ankasan Sensör Teknolojileri – FB8209H0908.3 70106285 Ürün Detayı

Pepperl Fuchs > Tehlikeli Alan Ürünleri ve Çözümleri > Remote I/O Sistemleri > FB (Zone 1)

FB8209H0908.3 - 70106285

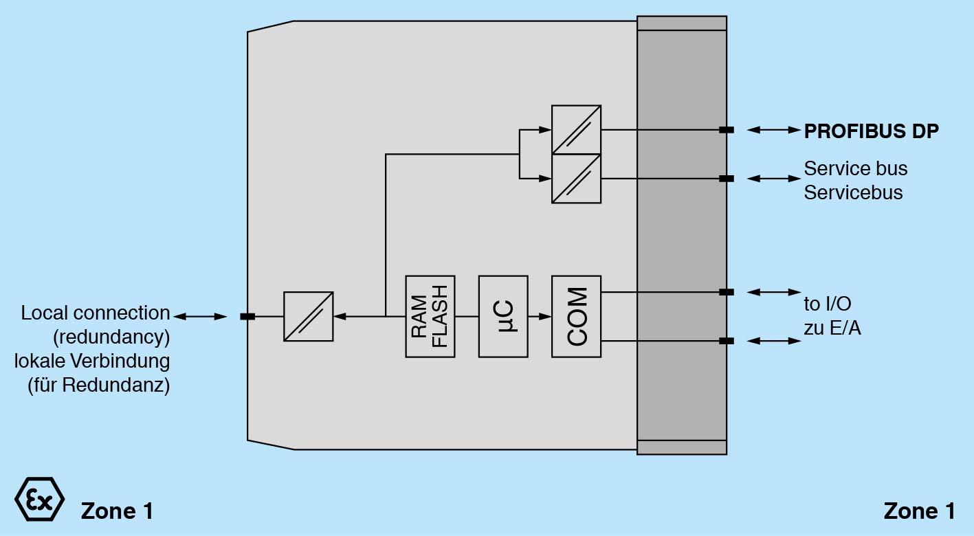
Profibus Dp/Dp-V1 Için Unicom Com Birimi

Öne Çıkan Özellikler

Interface between the I/O Modüller and the PCS/PLC

Com unit for 80 analog or 184 digital channels

Communication via PROFIBUS DP

Installation in suitable Muhafazalar in Zone 1

HART communication via PROFIBUS DP V1 or service bus

Configuration via FDT 1.2 DTM

Configuration in run (CiR) for any PCS

Non-volatile memory for configuration and parameter settings

Self configuration in redundant Sistemler

Permanently self-monitoring

Outputs drive to safe state in case of failures

📄 Datasheet İndir 💬 Teklif Al

WhatsApp
Ankasan
Çevrimiçi

Merhaba 👋
Size nasıl yardımcı olabiliriz?