Şirket Logosu
Sağ Logo
Ankasan Sensör Teknolojileri – ICA-8DIO4M1-G20-IO 70110940 Ürün Detayı

Pepperl Fuchs > Endüstriyel Haberleşme ve Arayüzler > IO-Link > IO-Link Cihazları

ICA-8DIO4M1-G20-IO - 70110940

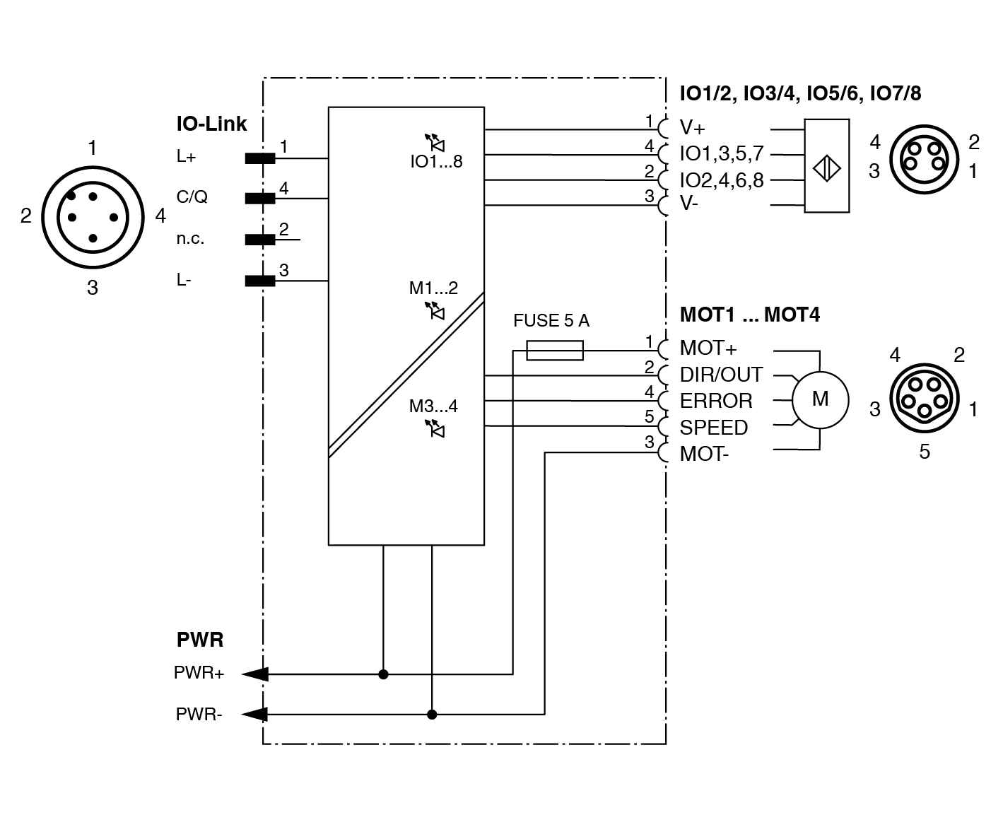
Io-Link Motor Silindir Modülü

Öne Çıkan Özellikler

Inputs for 2- and 3-wire sensors

Electronic PNP outputs

Connections for DC roller motors

Configuration and control via IO-Link

Function indicator for motors, inputs and outputs

📄 Datasheet İndir 💬 Teklif Al

WhatsApp
Ankasan
Çevrimiçi

Merhaba 👋
Size nasıl yardımcı olabiliriz?