Şirket Logosu
Sağ Logo
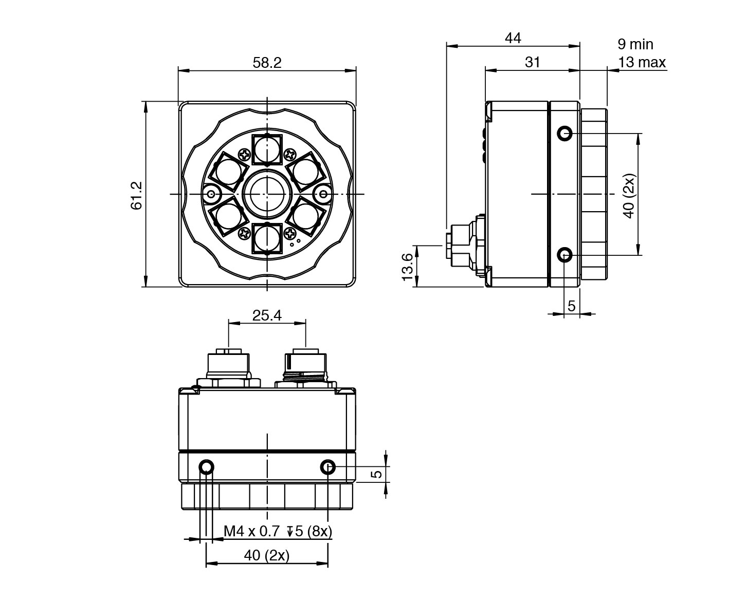
Ankasan Sensör Teknolojileri – VOS2000-F226R-8MM-S 70111630 Ürün Detayı

Pepperl Fuchs > Endüstriyel Haberleşme ve Arayüzler > Endüstriyel Ethernet > Ethernet Cihazları

VOS2000-F226R-8MM-S - 70111630

Görüntü Sensörü

Öne Çıkan Özellikler

Wide range of detection tools for flexible inspection tasks

Combinable vision tools for feature detection, completeness checking, code reading, text recognition and object position checking

32 Jobs on-board can be saved

Integrated illumination

Mechanical focus adjustment

Easy integration with flexible programmable data output

📄 Datasheet İndir 💬 Teklif Al

WhatsApp
Ankasan
Çevrimiçi

Merhaba 👋
Size nasıl yardımcı olabiliriz?