Şirket Logosu
Sağ Logo
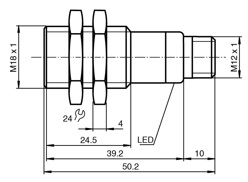
Ankasan Sensör Teknolojileri – UB800-18GM40-E5-V1-Y70113183 70113183 Ürün Detayı

Pepperl Fuchs > Endüstriyel Sensörler > Ultrasonik Sensörler > Cisimden Yansımalı ve Reflektörlü Sensörler

UB800-18GM40-E5-V1-Y70113183 - 70113183

Ultrasonik Sensör

Öne Çıkan Özellikler

Short design, 40 mm

Function indicators visible from all directions

Switching output

5 different output functions can be set

Program input

Temperature compensation

Customer-specific configuration

📄 Datasheet İndir 💬 Teklif Al

WhatsApp
Ankasan
Çevrimiçi

Merhaba 👋
Size nasıl yardımcı olabiliriz?