Şirket Logosu
Sağ Logo
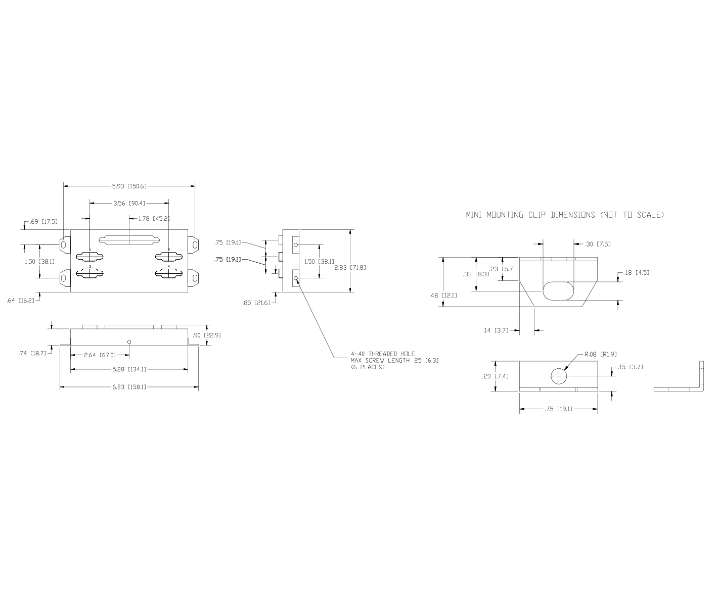
Ankasan Sensör Teknolojileri – ICRPB-4DB9M-PM 70116472 Ürün Detayı

Pepperl Fuchs > Endüstriyel Haberleşme ve Arayüzler > Endüstriyel Ethernet > Seri Geçitler

ICRPB-4DB9M-PM - 70116472

Breakout Kutusu

Öne Çıkan Özellikler

RS-232/422/485 Yazılım selectable interfaces

Communication speeds up to 460 Kbps

15 KV Aşırı Gerilim Koruması

DB9 male connectors

📄 Datasheet İndir 💬 Teklif Al

WhatsApp
Ankasan
Çevrimiçi

Merhaba 👋
Size nasıl yardımcı olabiliriz?