Şirket Logosu
Sağ Logo
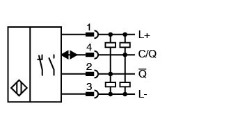
Ankasan Sensör Teknolojileri – OBE12M-R100-S2EP1-IO-0,3M-V1 70119897 Ürün Detayı

Pepperl Fuchs > Endüstriyel Haberleşme ve Arayüzler > IO-Link > IO-Link Cihazları

OBE12M-R100-S2EP1-IO-0,3M-V1 - 70119897

Karşılıklı Sensör (Çift)

Öne Çıkan Özellikler

Miniature design with versatile mounting options

IO-Link interface for service and process data

Various frequencies for avoiding mutual interference (cross-talk immunity)

Extended temperature range

-40 °C ... 60 °C

High degree of protection IP69K

📄 Datasheet İndir 💬 Teklif Al

WhatsApp
Ankasan
Çevrimiçi

Merhaba 👋
Size nasıl yardımcı olabiliriz?