Şirket Logosu
Sağ Logo
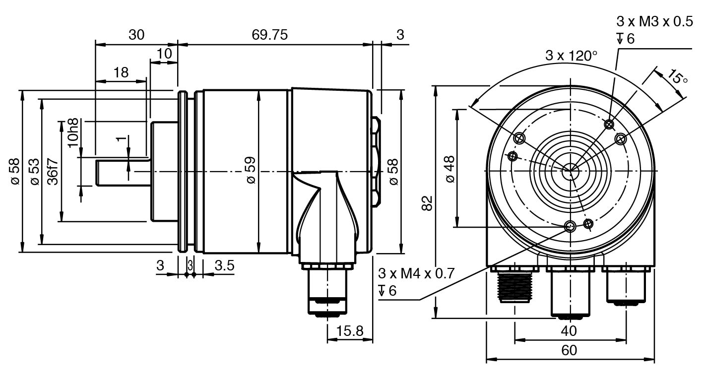
Ankasan Sensör Teknolojileri – EVS58N-011IZR0BY-0013:01 70125294 Ürün Detayı

Pepperl Fuchs > Endüstriyel Haberleşme ve Arayüzler > Endüstriyel Ethernet > Ethernet Cihazları

EVS58N-011IZR0BY-0013:01 - 70125294

Tek Turlu Mutlak Döner Enkoder

Öne Çıkan Özellikler

Endüstriyel standard housing ∅58 mm

EtherNet/IP

13 Bit singleturn

Clamping flange

Compatible with Rockwell/ Allen Bradley/ Schneider control

Mechanical compatibility with all major encoders with fieldbus interface

Rotary axis functionality

Status LEDs

📄 Datasheet İndir 💬 Teklif Al

WhatsApp
Ankasan
Çevrimiçi

Merhaba 👋
Size nasıl yardımcı olabiliriz?