Şirket Logosu
Sağ Logo
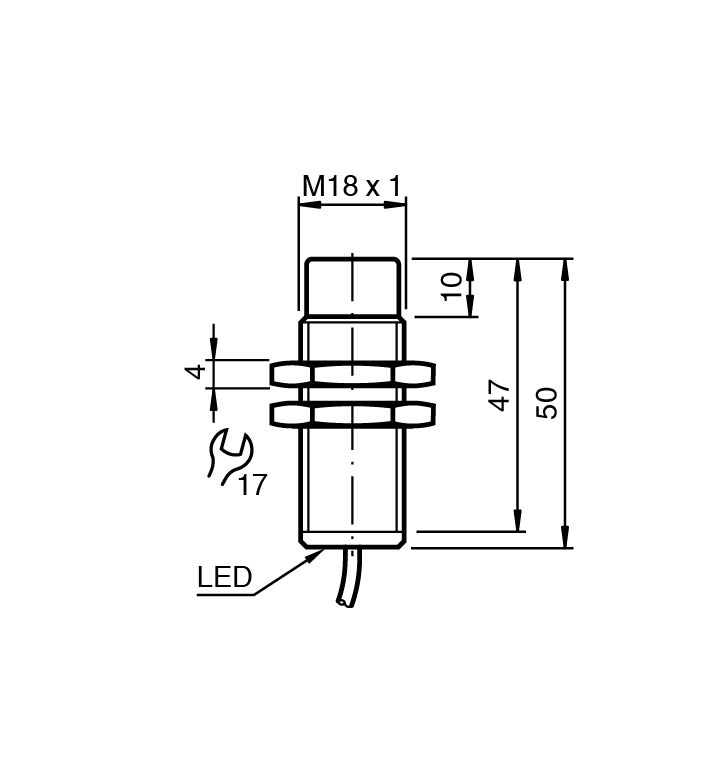
Ankasan Sensör Teknolojileri – NCN8-18GM50-E2-3G-3D-5M 70126048 Ürün Detayı

Pepperl Fuchs > Tehlikeli Alan Ürünleri ve Çözümleri > Tehlikeli Alanlar İçin Sensörler > Endüktif Sensörler

NCN8-18GM50-E2-3G-3D-5M - 70126048

Endüktif Sensör

Öne Çıkan Özellikler

8 mm non-flush

ATEX-/IECEx-approvals for zone 2/22 (Ex ec/tc)

Stainless steel housing

5 meter connection cable

📄 Datasheet İndir 💬 Teklif Al

WhatsApp
Ankasan
Çevrimiçi

Merhaba 👋
Size nasıl yardımcı olabiliriz?