Şirket Logosu
Sağ Logo
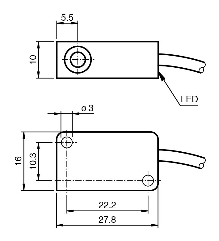
Ankasan Sensör Teknolojileri – NBN4-V3-E2-3G-3D 70126057 Ürün Detayı

Pepperl Fuchs > Tehlikeli Alan Ürünleri ve Çözümleri > Tehlikeli Alanlar İçin Sensörler > Endüktif Sensörler

NBN4-V3-E2-3G-3D - 70126057

Endüktif Sensör

Öne Çıkan Özellikler

4 mm non-flush

3-wire DC

Switching status indicator, yellow LED

ATEX-/IECEx-approvals for zone 2/22 (Ex ec/tc)

📄 Datasheet İndir 💬 Teklif Al

WhatsApp
Ankasan
Çevrimiçi

Merhaba 👋
Size nasıl yardımcı olabiliriz?