Şirket Logosu
Sağ Logo
Ankasan Sensör Teknolojileri – SC3,5-G-N0-Y245463 70132960 Ürün Detayı

Pepperl Fuchs > Tehlikeli Alan Ürünleri ve Çözümleri > Tehlikeli Alanlar İçin Sensörler > Endüktif Sensörler

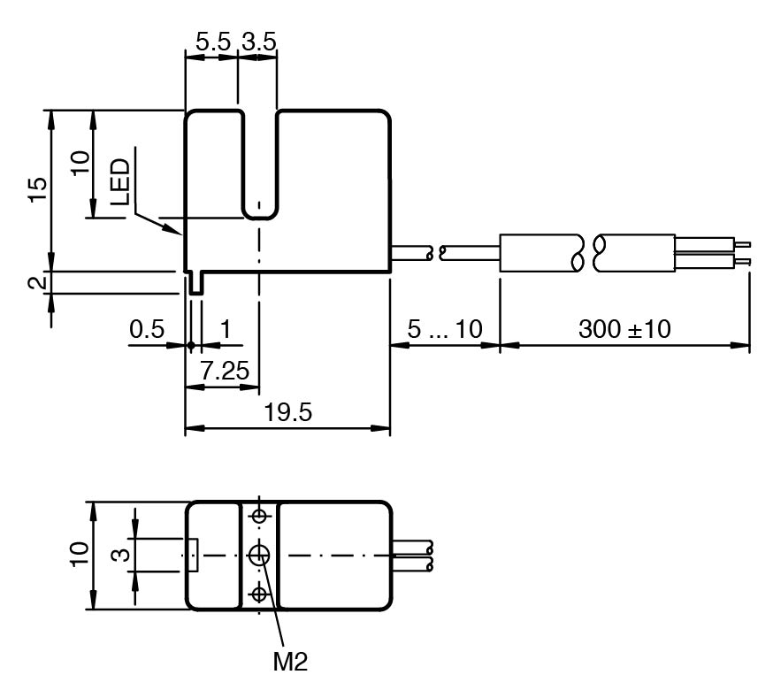
SC3,5-G-N0-Y245463 - 70132960

Endüktif Yuva Sensörü

Öne Çıkan Özellikler

3.5 mm slot width

📄 Datasheet İndir 💬 Teklif Al

WhatsApp
Ankasan
Çevrimiçi

Merhaba 👋
Size nasıl yardımcı olabiliriz?