Şirket Logosu
Sağ Logo
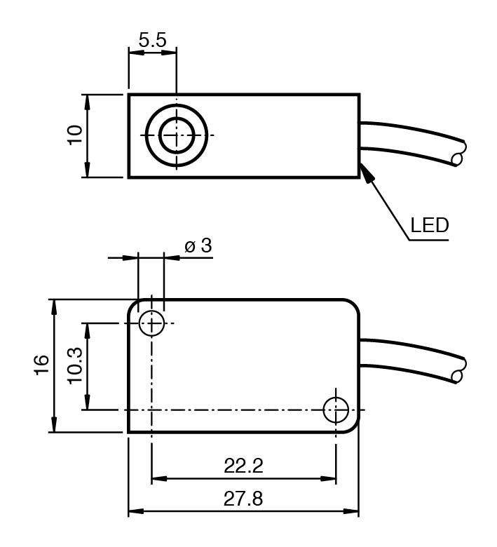
Ankasan Sensör Teknolojileri – NBB2-V3-Z4L-3G-3D 70133012 Ürün Detayı

Pepperl Fuchs > Tehlikeli Alan Ürünleri ve Çözümleri > Tehlikeli Alanlar İçin Sensörler > Endüktif Sensörler

NBB2-V3-Z4L-3G-3D - 70133012

Endüktif Sensör

Öne Çıkan Özellikler

2 mm flush

2-wire DC sensor with minimum off-state current

Switching status indicator, yellow LED

ATEX-/IECEx-approvals for zone 2/22 (Ex ec/tc)

📄 Datasheet İndir 💬 Teklif Al

WhatsApp
Ankasan
Çevrimiçi

Merhaba 👋
Size nasıl yardımcı olabiliriz?