Şirket Logosu
Sağ Logo
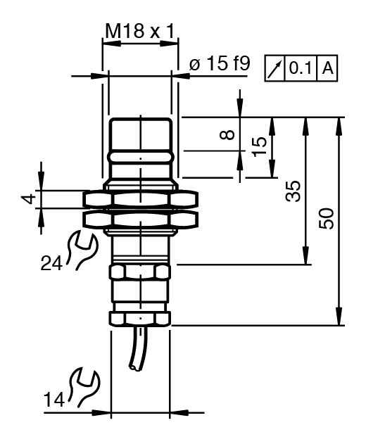
Ankasan Sensör Teknolojileri – NJ1,5-18GM-N-D-10M 70133185 Ürün Detayı

Pepperl Fuchs > Endüstriyel Sensörler > Fabrika Otomasyonu için Emniyet > SIL Seviyesi 2

NJ1,5-18GM-N-D-10M - 70133185

Endüktif Sensör

Öne Çıkan Özellikler

1.5 mm flush

Compression proof up to 350 bar, dynamic on active surface

Usable up to SIL 2 acc. to IEC 61508

NAMUR output

📄 Datasheet İndir 💬 Teklif Al

WhatsApp
Ankasan
Çevrimiçi

Merhaba 👋
Size nasıl yardımcı olabiliriz?