Şirket Logosu
Sağ Logo
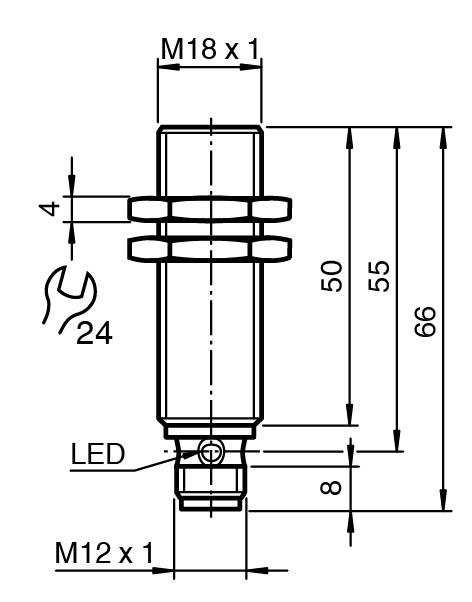
Ankasan Sensör Teknolojileri – NBB5-18GS50-Z4L-V1-3G-3D 70134926-0006 Ürün Detayı

Pepperl Fuchs > Tehlikeli Alan Ürünleri ve Çözümleri > Tehlikeli Alanlar İçin Sensörler > Endüktif Sensörler

NBB5-18GS50-Z4L-V1-3G-3D - 70134926-0006

Endüktif Sensör

Öne Çıkan Özellikler

5 mm flush

2-wire DC sensor with minimum off-state current

Switching status indicator, yellow LED

ATEX-/IECEx-approvals for zone 2/22 (Ex ec/tc)

Stainless steel housing

Polarity reversal protected

📄 Datasheet İndir 💬 Teklif Al

WhatsApp
Ankasan
Çevrimiçi

Merhaba 👋
Size nasıl yardımcı olabiliriz?