Şirket Logosu
Sağ Logo
Ankasan Sensör Teknolojileri – VMA-2+P/Z2-10M-PVC 70140394 Ürün Detayı

Pepperl Fuchs > Endüstriyel Sensörler > Bağlantı Teknolojisi > Valf Konnektörleri

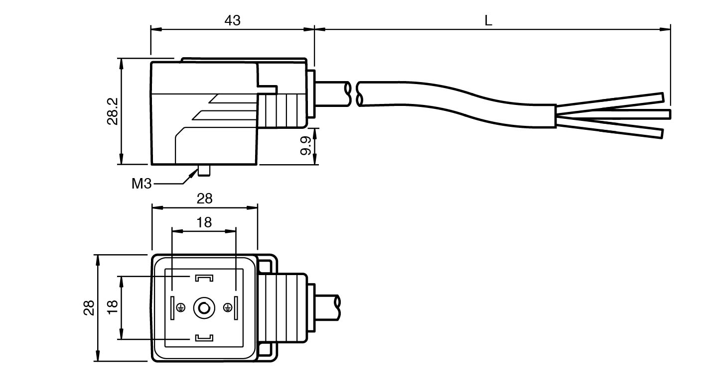
VMA-2+P/Z2-10M-PVC - 70140394

Vana Bağlantı Kablosu Seti

Öne Çıkan Özellikler

Valve connector according EN 175301-803 A/ISO 4400

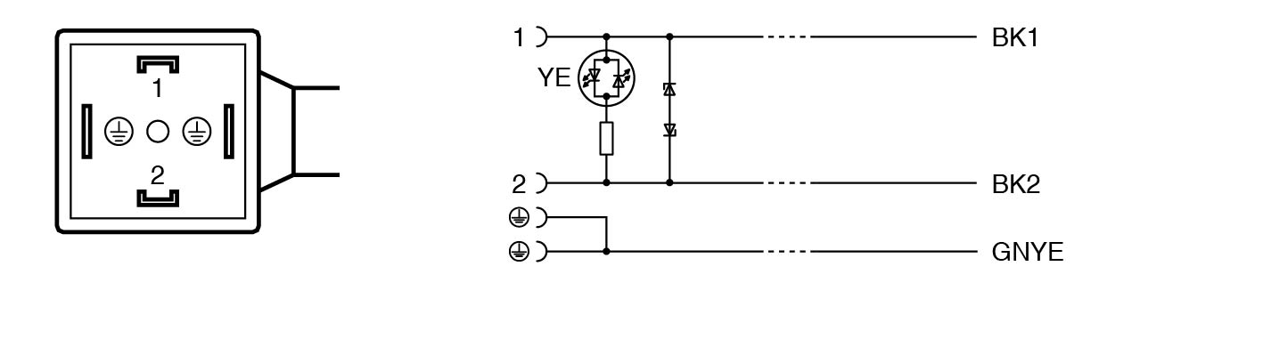
Z diode as a protective circuit

Built-in LED, as operating and function indicator

Moulded seal

freely selectable cable models due to bridged protective earth

Flame resistant cable

Oil resistant

Immunity to vibration

📄 Datasheet İndir 💬 Teklif Al

WhatsApp
Ankasan
Çevrimiçi

Merhaba 👋
Size nasıl yardımcı olabiliriz?