Şirket Logosu
Sağ Logo
Ankasan Sensör Teknolojileri – VIM62PL-E0T16-0ME-I420V14 70141166-100002 Ürün Detayı

Pepperl Fuchs > Endüstriyel Sensörler > Titreşim İzleme > Titreşim Sensörleri

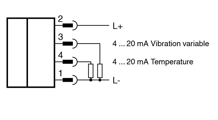
VIM62PL-E0T16-0ME-I420V14 - 70141166-100002

Titreşim Sensörü

Öne Çıkan Özellikler

Extended temperature range

Screw-in thread for simple installation

Simple electrical commissioning

Rugged stainless steel housing

Vibration velocity in mm/s (rms) acc. to DIN ISO 10816/20816

Detection of low frequency vibrations

Additional output with measured temperature value

📄 Datasheet İndir 💬 Teklif Al

WhatsApp
Ankasan
Çevrimiçi

Merhaba 👋
Size nasıl yardımcı olabiliriz?