Şirket Logosu
Sağ Logo
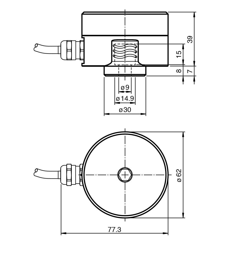
Ankasan Sensör Teknolojileri – VIM82PL-S1V16-2CE-I422C28 70141684-100009 Ürün Detayı

Pepperl Fuchs > Endüstriyel Sensörler > Fabrika Otomasyonu için Emniyet > Performance Level d

VIM82PL-S1V16-2CE-I422C28 - 70141684-100009

Titreşim Sensörü

Öne Çıkan Özellikler

Suitable for SIL2/Pld applications

Rugged stainless steel housing

Vibration velocity in mm/s (rms) acc. to DIN ISO 10816/20816

Suitable for use in harzadous area up to Zone 2/21 with type of protection increased safety and for Class I/II and Division 2

📄 Datasheet İndir 💬 Teklif Al

WhatsApp
Ankasan
Çevrimiçi

Merhaba 👋
Size nasıl yardımcı olabiliriz?