Şirket Logosu
Sağ Logo
Ankasan Sensör Teknolojileri – AVM58W-032K1R0G5-1212 70168580 Ürün Detayı

Pepperl Fuchs > Endüstriyel Sensörler > Döner Enkoderler > Mutlak Döner Enkoderler

AVM58W-032K1R0G5-1212 - 70168580

Çok Turlu Mutlak Döner Kodlayıcı

Öne Çıkan Özellikler

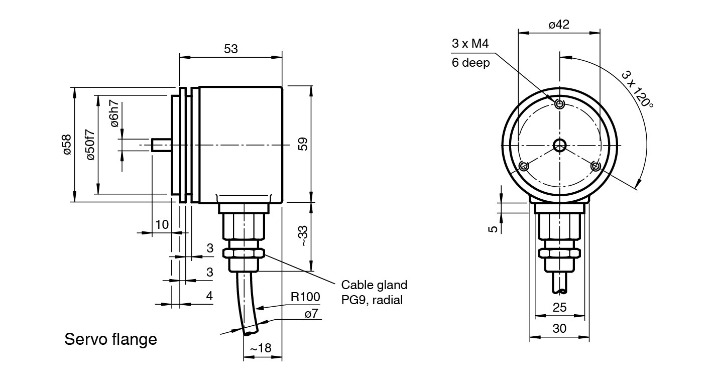
Industrial standard housing ∅58 mm

24 bit multiturn

Data transfer up to 2 MBaud

Optically isolated RS 422 interface

Servo or clamping flange

Zero-set function

2048 pulses

📄 Datasheet İndir 💬 Teklif Al

WhatsApp
Ankasan
Çevrimiçi

Merhaba 👋
Size nasıl yardımcı olabiliriz?