Şirket Logosu
Sağ Logo
Ankasan Sensör Teknolojileri – ICA-16DI-G16-IO 70169517 Ürün Detayı

Pepperl Fuchs > Endüstriyel Haberleşme ve Arayüzler > IO-Link > IO-Link Cihazları

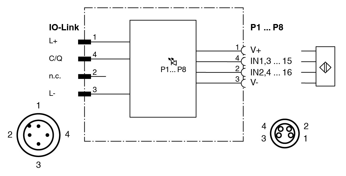
ICA-16DI-G16-IO - 70169517

G/Ç Hub'I

Öne Çıkan Özellikler

IO-Link Class A

IO-Link 1.1.4

LED for switching state and fault indication

Configuration and control via IO-Link

Supply from IO-Link

16 digital inputs

📄 Datasheet İndir 💬 Teklif Al

WhatsApp
Ankasan
Çevrimiçi

Merhaba 👋
Size nasıl yardımcı olabiliriz?