Şirket Logosu
Sağ Logo
Ankasan Sensör Teknolojileri – LB7104E 70176490 Ürün Detayı

Pepperl Fuchs > Tehlikeli Alan Ürünleri ve Çözümleri > Tehlikeli Alanlar için SIL Uyumlu Ürünler > SIL Seviyesi 2

LB7104E - 70176490

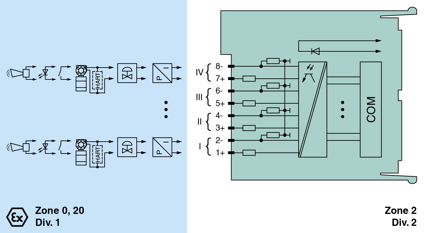
Evrensel Giriş/Çıkış

Öne Çıkan Özellikler

4-channel

Inputs Ex ia, Outputs Ex ia

Analog input, digital input,

analog output, digital output

Mounting in Zone 2, Class I/Div.2 or in the safe area

Supply circuit 15 V (20 mA)

HART communication via field bus or service bus

Simulation mode for service operations (forcing)

Line fault detection (LFD): one LED per channel

Permanently self-monitoring

Output with bus-independent safety shutdown

📄 Datasheet İndir 💬 Teklif Al

WhatsApp
Ankasan
Çevrimiçi

Merhaba 👋
Size nasıl yardımcı olabiliriz?