Şirket Logosu
Sağ Logo
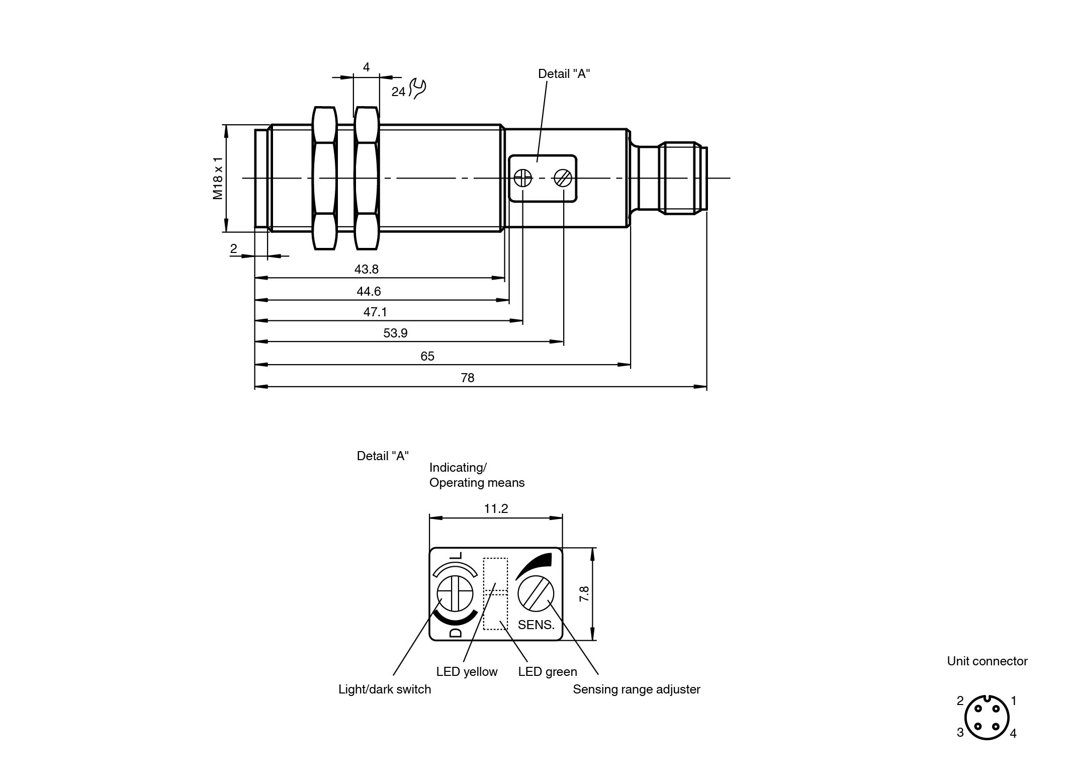
Ankasan Sensör Teknolojileri – VT18-8-400-M/40a/118/128 801132 Ürün Detayı

Pepperl Fuchs > Endüstriyel Sensörler > Fotoelektrik Sensörler > Cisimden Yansımalı Sensörler

VT18-8-400-M/40a/118/128 - 801132

Cisimden Yansımalı Sensör

Öne Çıkan Özellikler

Array control panel with highly visible LED display

Flashing power on LED in case of short-circuit

Multiple device installation possible, no mutual interference (no cross-talk)

Not sensitive to ambient light, even with switched energy saving lamps

Protection class II

📄 Datasheet İndir 💬 Teklif Al

WhatsApp
Ankasan
Çevrimiçi

Merhaba 👋
Size nasıl yardımcı olabiliriz?