Şirket Logosu
Sağ Logo
Ankasan Sensör Teknolojileri – Z789 802518 Ürün Detayı

Pepperl Fuchs > Tehlikeli Alan Ürünleri ve Çözümleri > Zener Bariyerler > Modüller

Z789 - 802518

Zener Bariyer

Öne Çıkan Özellikler

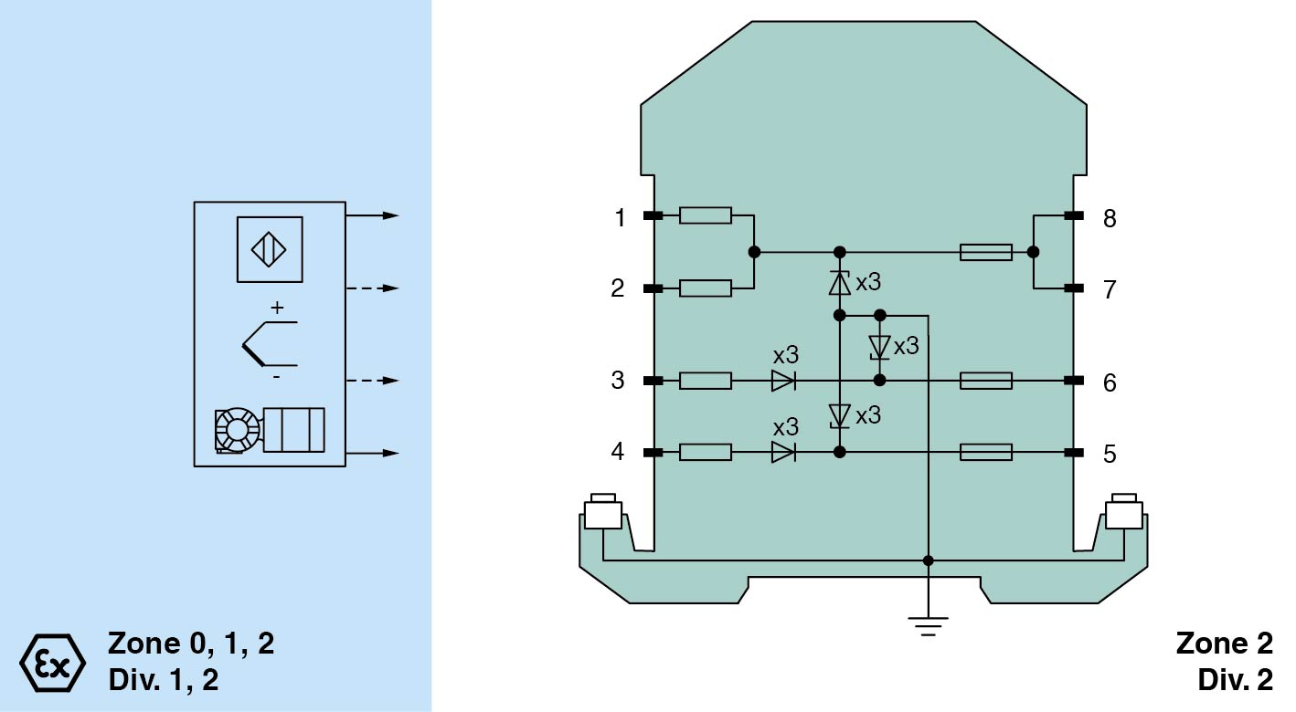
2-channel

DC version, positive polarity

Working voltage 26.5 V at 10 µA

Series resistance max. 640 Ω

Fuse rating 50 mA

DIN rail mountable

With diode return

📄 Datasheet İndir 💬 Teklif Al

WhatsApp
Ankasan
Çevrimiçi

Merhaba 👋
Size nasıl yardımcı olabiliriz?