Şirket Logosu
Sağ Logo
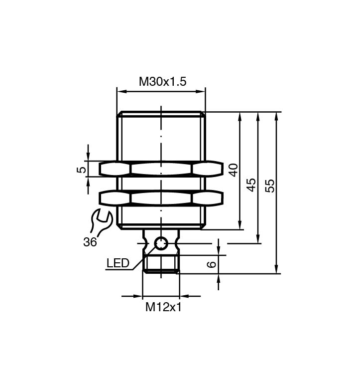
Ankasan Sensör Teknolojileri – NCB10-30GM40-Z0-V1-3G-3D ARSIV-183050 Ürün Detayı

Pepperl Fuchs > Arşiv Modelleri > nan > nan

NCB10-30GM40-Z0-V1-3G-3D - ARSIV-183050

Inductive sensor

Öne Çıkan Özellikler

nan

📄 Datasheet İndir 💬 Teklif Al

WhatsApp
Ankasan
Çevrimiçi

Merhaba 👋
Size nasıl yardımcı olabiliriz?