Şirket Logosu
Sağ Logo
Ankasan Sensör Teknolojileri – LB8111A2* t163972 Ürün Detayı

Pepperl Fuchs > Tehlikeli Alan Ürünleri ve Çözümleri > Remote I/O Sistemleri > LB (Zone 2, Class I/Div. 2)

LB8111A2* - t163972

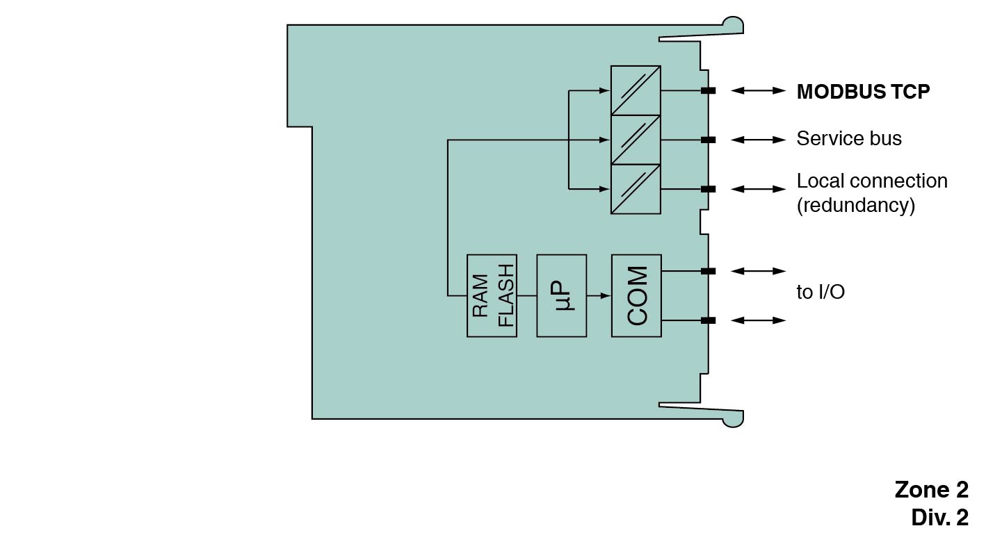
Modbus Tcp Için Com Birimi

Öne Çıkan Özellikler

Interface between the I/O Modüller and the PCS/PLC

Com unit for 80 analog or 184 digital channels

Communication via MODBUS TCP

Mounting in Zone 2, Class I/Div.2 or in the safe area

HART communication via MODBUS TCP or service bus

Configuration via FDT 1.2 DTM

Non-volatile memory for configuration and parameter settings

Self configuration in redundant Sistemler

Permanently self-monitoring

Outputs drive to safe state in case of failures

Module can be exchanged under voltage

📄 Datasheet İndir 💬 Teklif Al

WhatsApp
Ankasan
Çevrimiçi

Merhaba 👋
Size nasıl yardımcı olabiliriz?