Şirket Logosu
Sağ Logo
Ankasan Sensör Teknolojileri – 6500-MAN-DV t179868 Ürün Detayı

Pepperl Fuchs > Tehlikeli Alan Ürünleri ve Çözümleri > Temizleme ve Basınçlandırma Sistemleri > Temizleme ve Basınçlandırma Sistemi(Ex pyb)

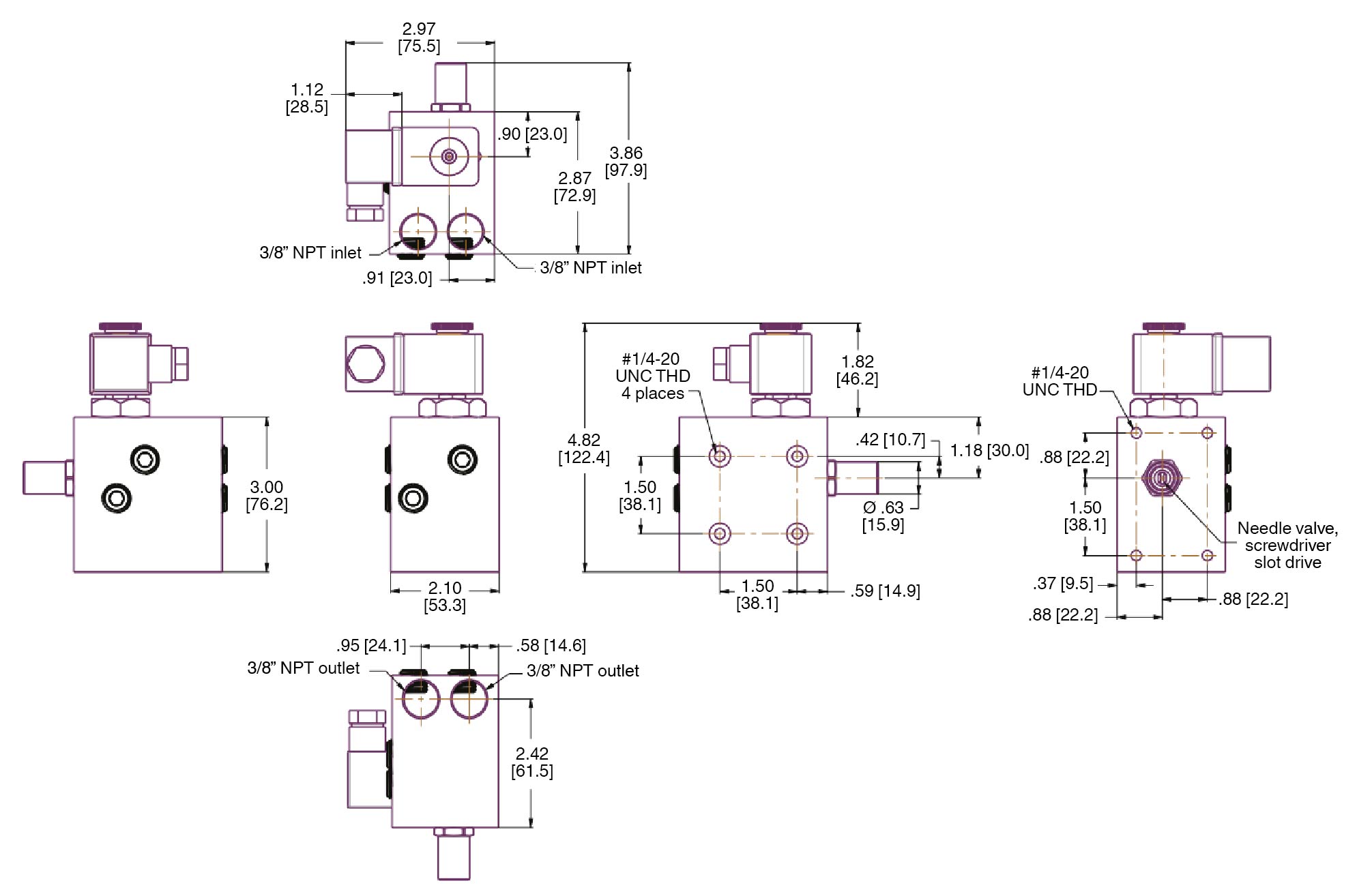
6500-MAN-DV - t179868

6500 Serisi Dijital Valf

Öne Çıkan Özellikler

Suitable for Zone 1 & 21 operation, ATEX/IECEx certification

Intrinsically safe when connected to the 6500 control unitl

Manifold combines the digital valve for purging and the needle valve for pressurization in one housing

Suitable for steel or plastic tubing

Mounting hardware, pneumatic fittings and tubing included

📄 Datasheet İndir 💬 Teklif Al

WhatsApp
Ankasan
Çevrimiçi

Merhaba 👋
Size nasıl yardımcı olabiliriz?