Şirket Logosu
Sağ Logo
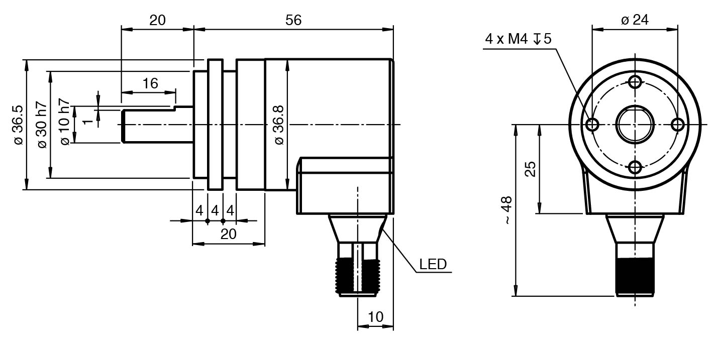
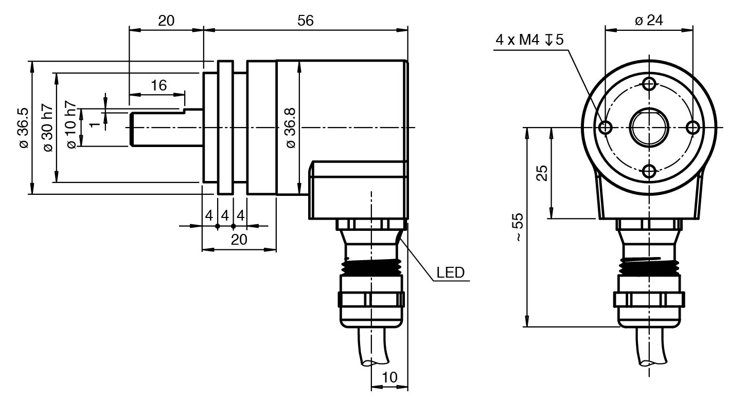
Ankasan Sensör Teknolojileri – ENA36HD-S***-J1939 t185454 Ürün Detayı

Pepperl Fuchs > Endüstriyel Sensörler > Döner Enkoderler > Mutlak Döner Enkoderler

ENA36HD-S***-J1939 - t185454

Mutlak Döner Enkoder

Öne Çıkan Özellikler

Very small housing

Up to 31 bit overall resolution

CAN bus with SAE J1939 protocol

Free of wear magnetic sampling

High resolution and accuracy

High climatic resistance

📄 Datasheet İndir 💬 Teklif Al

WhatsApp
Ankasan
Çevrimiçi

Merhaba 👋
Size nasıl yardımcı olabiliriz?