Şirket Logosu
Sağ Logo
Ankasan Sensör Teknolojileri – ENA58PL-R***-CANopen redundant t209187 Ürün Detayı

Pepperl Fuchs > Endüstriyel Sensörler > Döner Enkoderler > Mutlak Döner Enkoderler

ENA58PL-R***-CANopen redundant - t209187

Mutlak Döner Enkoder

Öne Çıkan Özellikler

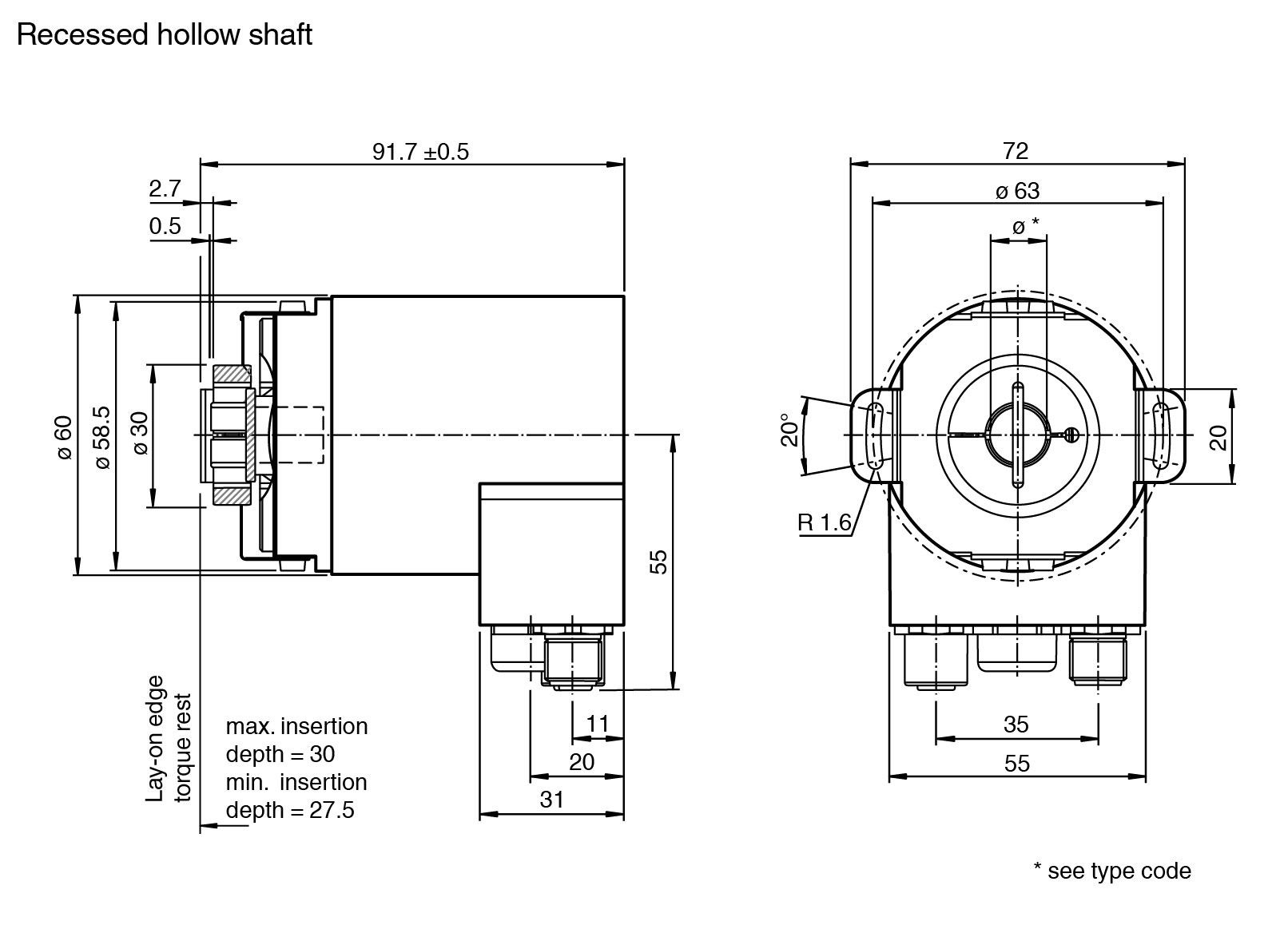
Recessed hollow shaft

Up to 30 bit overall resolution

Redundant CANopen Interface

Independent photoelectric and magnetic redundant sampling

Redundant connection option with 2 connectors

High resolution and accuracy

📄 Datasheet İndir 💬 Teklif Al

WhatsApp
Ankasan
Çevrimiçi

Merhaba 👋
Size nasıl yardımcı olabiliriz?