Şirket Logosu
Sağ Logo
Ankasan Sensör Teknolojileri – ENA58IL-R***-B17 t209826 Ürün Detayı

Pepperl Fuchs > Endüstriyel Haberleşme ve Arayüzler > Endüstriyel Ethernet > Ethernet Cihazları

ENA58IL-R***-B17 - t209826

Mutlak Döner Enkoder

Öne Çıkan Özellikler

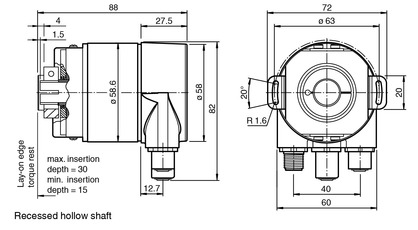
Recessed hollow shaft

30 Bit multiturn

Free of wear magnetic sampling

High resolution and accuracy

Mechanical compatibility with all major encoders with fieldbus interface

Status LEDs

📄 Datasheet İndir 💬 Teklif Al

WhatsApp
Ankasan
Çevrimiçi

Merhaba 👋
Size nasıl yardımcı olabiliriz?