Şirket Logosu
Sağ Logo
Ankasan Sensör Teknolojileri – ENA36IL-R***-IO-Link t214145 Ürün Detayı

Pepperl Fuchs > Endüstriyel Haberleşme ve Arayüzler > IO-Link > IO-Link Cihazları

ENA36IL-R***-IO-Link - t214145

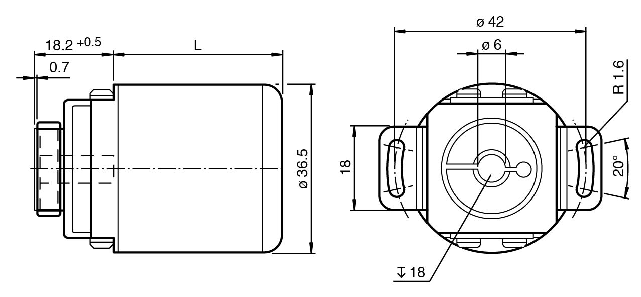
Mutlak Döner Enkoder

Öne Çıkan Özellikler

Mutlak döner enkoder of the innovative Performance Line

Recessed hollow shaft

Position and shaft velocity

IO-Link Interface for process data, parameterization and diagnosis

Suitable for condition monitoring

Measuring range, direction of rotation and switching signals programmable

Free of wear magnetic sampling

High resolution and accuracy

📄 Datasheet İndir 💬 Teklif Al

WhatsApp
Ankasan
Çevrimiçi

Merhaba 👋
Size nasıl yardımcı olabiliriz?