Şirket Logosu
Sağ Logo
Ankasan Sensör Teknolojileri – ENI58IL-H* t215145 Ürün Detayı

Pepperl Fuchs > Endüstriyel Sensörler > Döner Enkoderler > Artımlı Döner Enkoderler

ENI58IL-H* - t215145

Artımlı Döner Enkoder

Öne Çıkan Özellikler

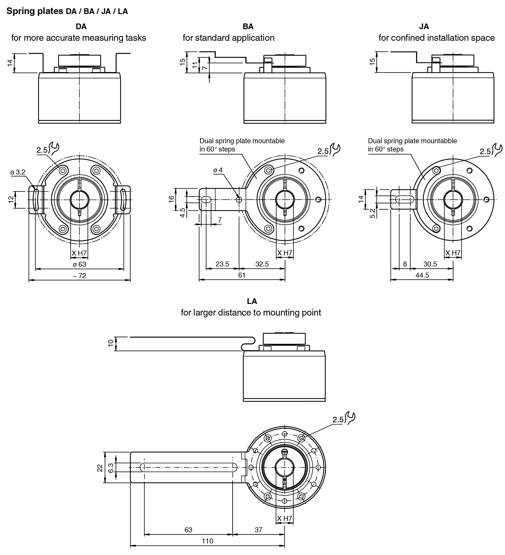
Housing ∅ 58 mm

Hollow shaft

Universal output driver

BlueBeam technology for ultimate precision

Up to 5000 pulses

Housing powder coated

📄 Datasheet İndir 💬 Teklif Al

WhatsApp
Ankasan
Çevrimiçi

Merhaba 👋
Size nasıl yardımcı olabiliriz?