Şirket Logosu
Sağ Logo
Ankasan Sensör Teknolojileri – ENI58PU-S* t215151 Ürün Detayı

Pepperl Fuchs > Endüstriyel Sensörler > Döner Enkoderler > Artımlı Döner Enkoderler

ENI58PU-S* - t215151

Artımlı Döner Enkoder

Öne Çıkan Özellikler

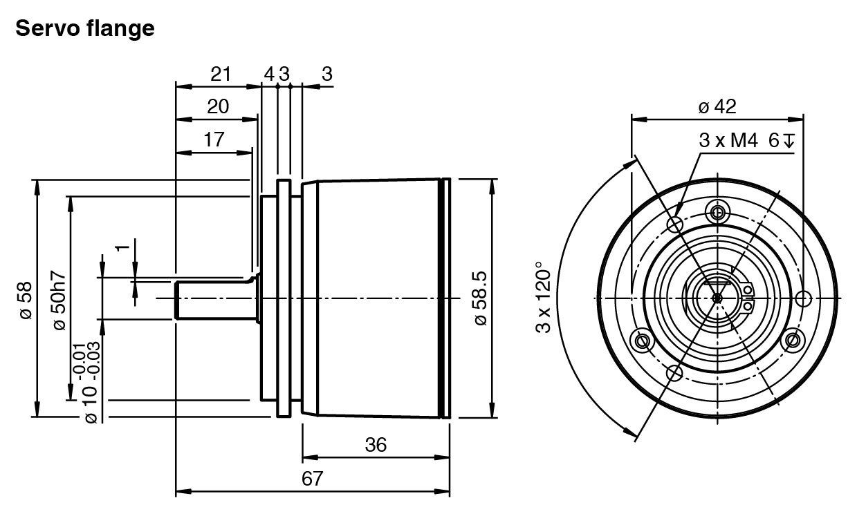
Housing ∅ 58 mm

Solid shaft

Up to 2048 pulses

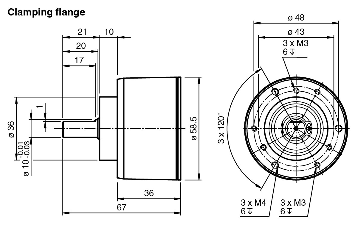
Clamping flange

Universal output driver

BlueBeam technology for ultimate precision

📄 Datasheet İndir 💬 Teklif Al

WhatsApp
Ankasan
Çevrimiçi

Merhaba 👋
Size nasıl yardımcı olabiliriz?