Şirket Logosu
Sağ Logo
Ankasan Sensör Teknolojileri – TVI50N-09BK0**T t21623 Ürün Detayı

Pepperl Fuchs > Endüstriyel Sensörler > Döner Enkoderler > Artımlı Döner Enkoderler

TVI50N-09BK0**T - t21623

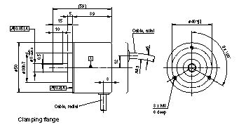
Artımlı Döner Enkoder

Öne Çıkan Özellikler

Sturdy and compact design

Up to 1024 ppr

4.75 V ... 30 V with short-circuit proof push-pull output

RS 422 functionality at 5 V operation

📄 Datasheet İndir 💬 Teklif Al

WhatsApp
Ankasan
Çevrimiçi

Merhaba 👋
Size nasıl yardımcı olabiliriz?