Şirket Logosu
Sağ Logo
Ankasan Sensör Teknolojileri – FB6301* t34934 Ürün Detayı

Pepperl Fuchs > Tehlikeli Alan Ürünleri ve Çözümleri > Remote I/O Sistemleri > FB (Zone 1)

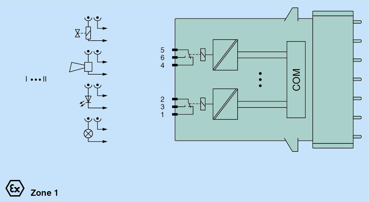
FB6301* - t34934

Röle Çıkışı

Öne Çıkan Özellikler

2-channel

Outputs wired to Ex e terminals

Installation in suitable Muhafazalar in Zone 1 or Zone 21

Positive or negative logic selectable

Simulation mode for service operations (forcing)

Permanently self-monitoring

Output with watchdog

Module can be exchanged under voltage (hot swap)

📄 Datasheet İndir 💬 Teklif Al

WhatsApp
Ankasan
Çevrimiçi

Merhaba 👋
Size nasıl yardımcı olabiliriz?