Şirket Logosu
Sağ Logo
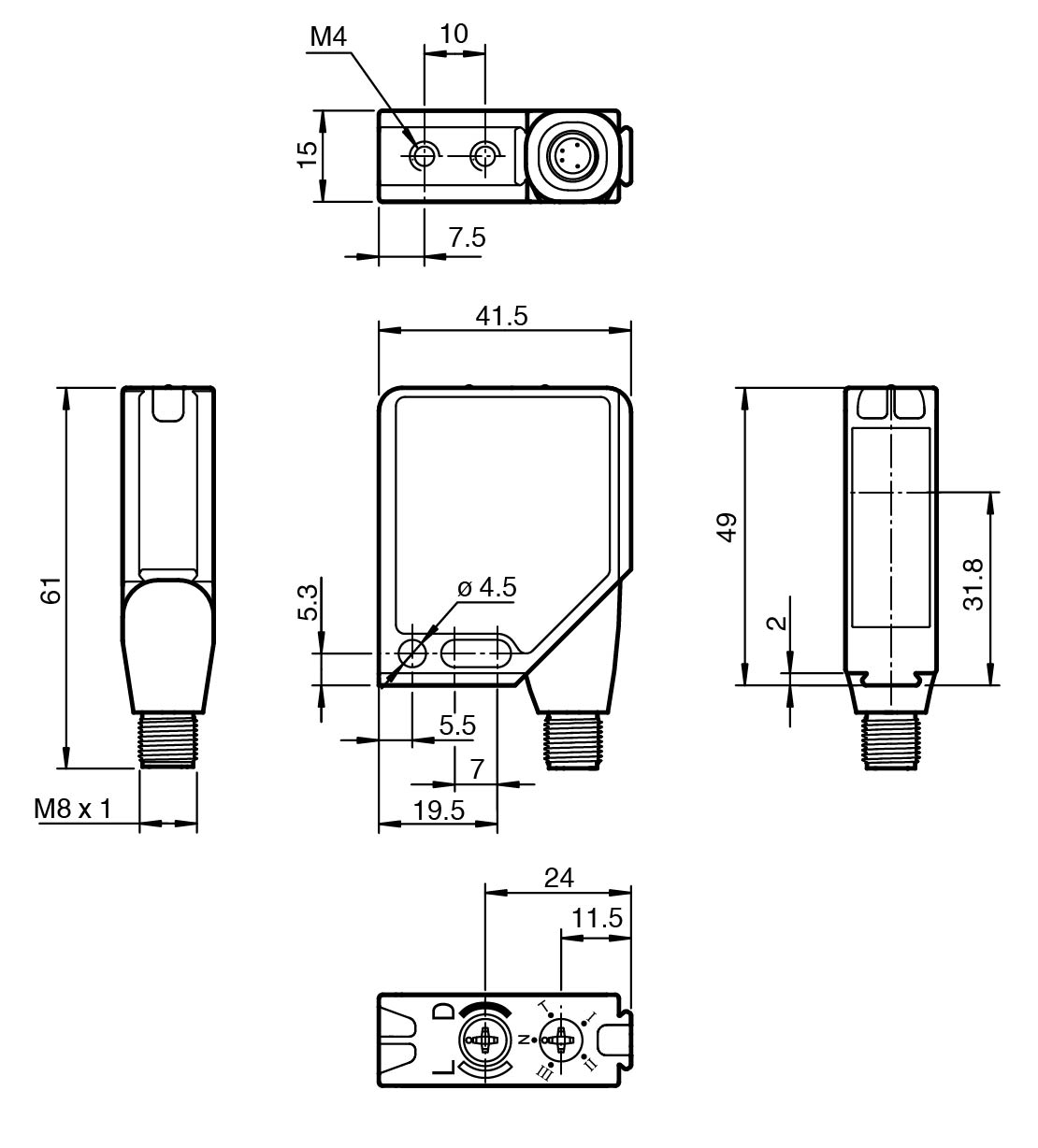
Ankasan Sensör Teknolojileri – MLV12-54-G/76b/95/128 115793 Ürün Detayı

Pepperl Fuchs > Endüstriyel Sensörler > Fotoelektrik Sensörler > Reflektörlü Sensörler

MLV12-54-G/76b/95/128 - 115793

Reflektörlü Sensör

Öne Çıkan Özellikler

Series of sensors in a widely used standard housing

Reliable recognition of reflective objects and clear glass

Teach-in switch for setting the contrast detection levels

Automatic adjustment in case of soiling in contrast detection mode

High level of stability thanks to the metal housing frame

Resistant against noise: reliable operation under all conditions

📄 Datasheet İndir 💬 Teklif Al

WhatsApp
Ankasan
Çevrimiçi

Merhaba 👋
Size nasıl yardımcı olabiliriz?