Şirket Logosu
Sağ Logo
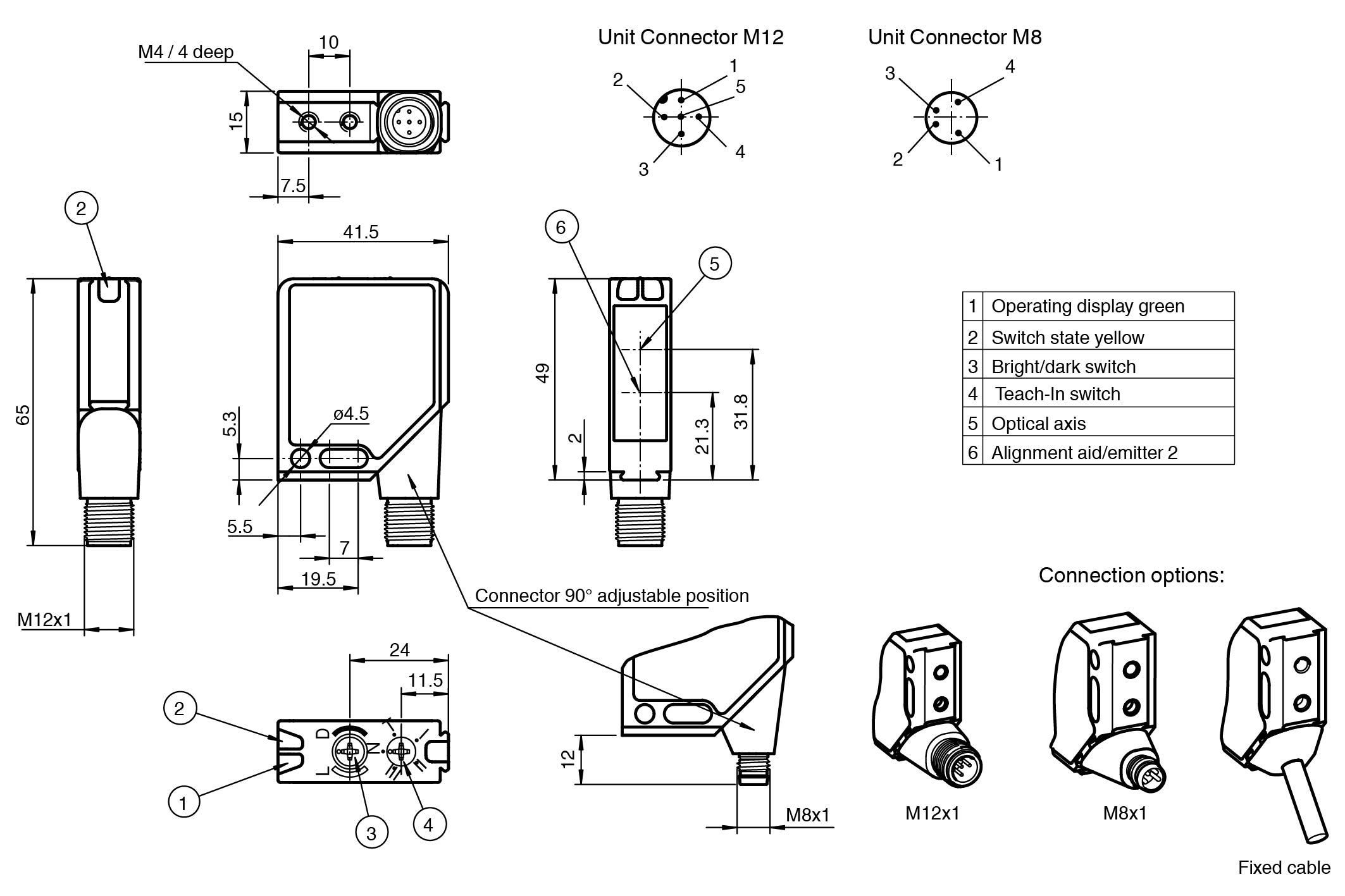
Ankasan Sensör Teknolojileri – M12/MV12-F1/76b/82b/115/128 115972 Ürün Detayı

Pepperl Fuchs > Endüstriyel Sensörler > Giriş Otomasyonu için Sensörler > Yangın Koruması

M12/MV12-F1/76b/82b/115/128 - 115972

Karşılıklı Sensör

Öne Çıkan Özellikler

Series of sensors in a widely used standard housing

Teach-in switch for setting the contrast detection levels

Automatic adjustment in case of soiling in contrast detection mode

High level of stability thanks to the metal housing frame

Resistant against noise: reliable operation under all conditions

📄 Datasheet İndir 💬 Teklif Al

WhatsApp
Ankasan
Çevrimiçi

Merhaba 👋
Size nasıl yardımcı olabiliriz?