Şirket Logosu
Sağ Logo
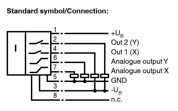
Ankasan Sensör Teknolojileri – INY360D-F99-2I2E2-V17 201501 Ürün Detayı

Pepperl Fuchs > Endüstriyel Sensörler > Eğim ve İvme Sensörleri > Statik Eğim Sensörleri

INY360D-F99-2I2E2-V17 - 201501

Eğim Sensörü

Öne Çıkan Özellikler

E1-Type approval

Measuring range 0 ... 360°

Analog output 4 mA ... 20 mA

Evaluation limits can be taught-in

2 programmable switch outputs

High shock resistance

Increased noise immunity 100 V/m

📄 Datasheet İndir 💬 Teklif Al

WhatsApp
Ankasan
Çevrimiçi

Merhaba 👋
Size nasıl yardımcı olabiliriz?