Şirket Logosu
Sağ Logo
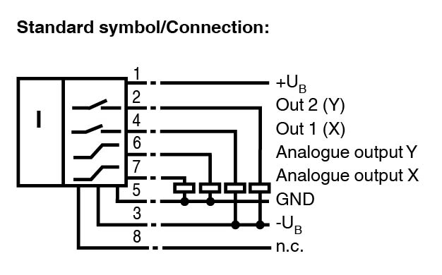
Ankasan Sensör Teknolojileri – INY060D-F99-2I2E2-V17 241157 Ürün Detayı

Pepperl Fuchs > Endüstriyel Sensörler > Eğim ve İvme Sensörleri > Statik Eğim Sensörleri

INY060D-F99-2I2E2-V17 - 241157

Eğim Sensörü

Öne Çıkan Özellikler

Analog output 4 mA ... 20 mA

Fixed evaluation limits

High shock resistance

Increased noise immunity 100 V/m

Measuring range -30° ... +30°

📄 Datasheet İndir 💬 Teklif Al

WhatsApp
Ankasan
Çevrimiçi

Merhaba 👋
Size nasıl yardımcı olabiliriz?