Şirket Logosu
Sağ Logo
Ankasan Sensör Teknolojileri – FB4205B3 276325 Ürün Detayı

Pepperl Fuchs > Tehlikeli Alan Ürünleri ve Çözümleri > Remote I/O Sistemleri > FB (Zone 1)

FB4205B3 - 276325

Hart Çıkış İzolatörü

Öne Çıkan Özellikler

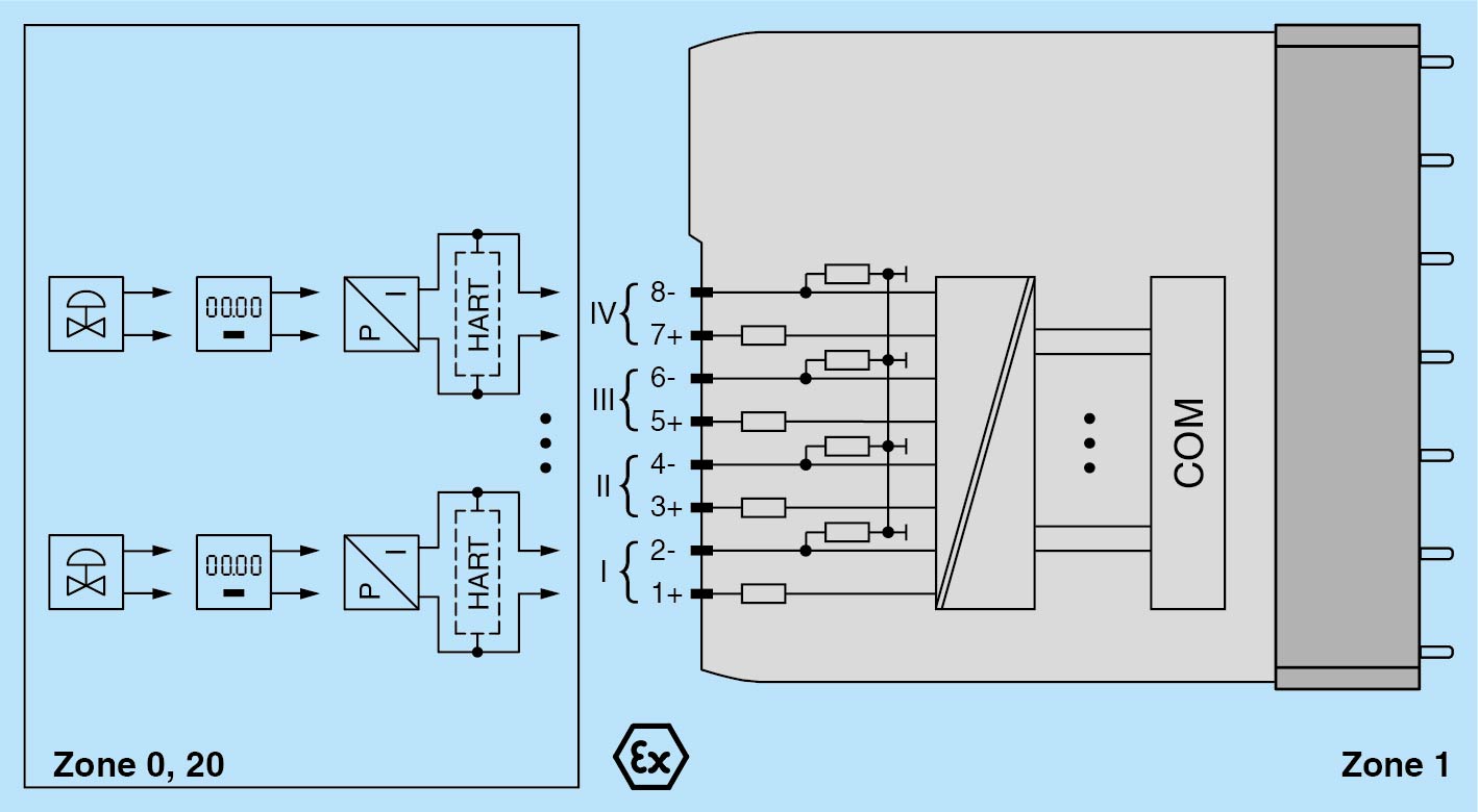
4-channel

Outputs Ex ia

Installation in suitable Muhafazalar in Zone 1

Module can be exchanged under voltage (hot swap)

Analog output module for 0/4 mA ... 20 mA

HART communication via field bus or service bus

Simulation mode for service operations (forcing)

Line fault detection (LFD): one LED per channel

Permanently self-monitoring

📄 Datasheet İndir 💬 Teklif Al

WhatsApp
Ankasan
Çevrimiçi

Merhaba 👋
Size nasıl yardımcı olabiliriz?