Şirket Logosu
Sağ Logo
Ankasan Sensör Teknolojileri – PL2-F25-N4-K 291802 Ürün Detayı

Pepperl Fuchs > Tehlikeli Alan Ürünleri ve Çözümleri > Tehlikeli Alanlar İçin Sensörler > Endüktif Sensörler

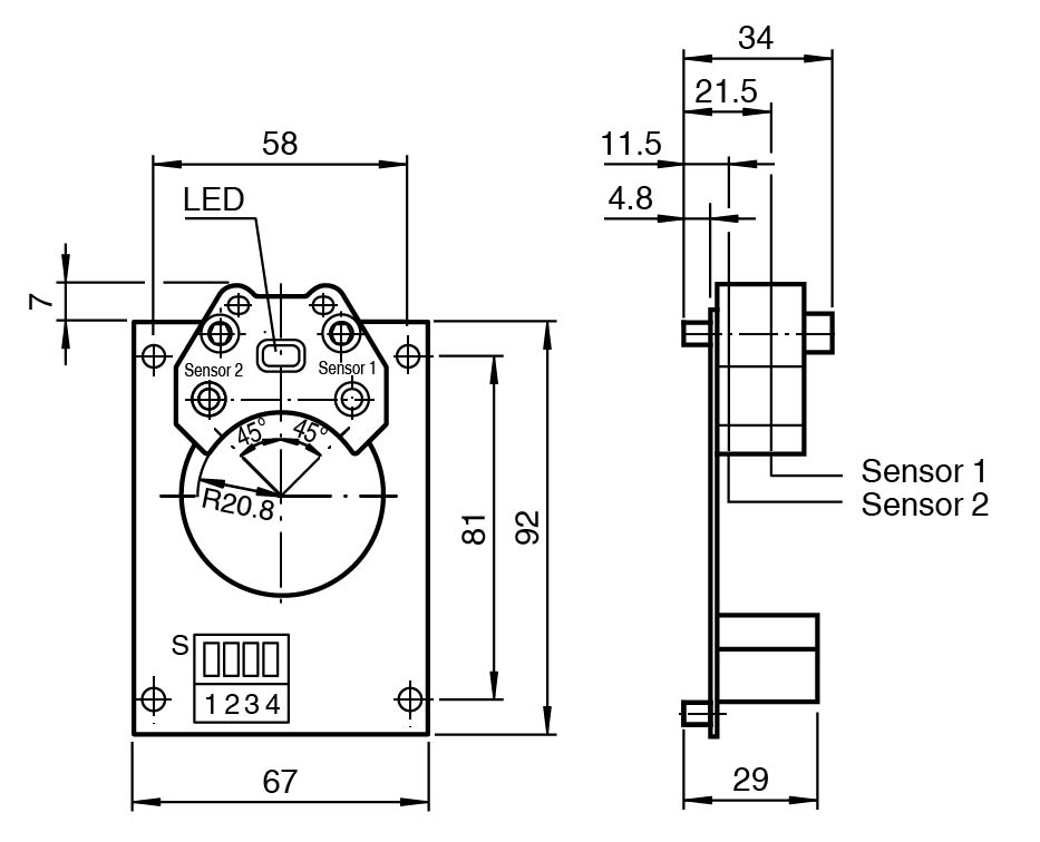
PL2-F25-N4-K - 291802

Endüktif Sensör

Öne Çıkan Özellikler

For installation in housing

PL2... without valve connection

ATEX & IECEX certifications

📄 Datasheet İndir 💬 Teklif Al

WhatsApp
Ankasan
Çevrimiçi

Merhaba 👋
Size nasıl yardımcı olabiliriz?