Şirket Logosu
Sağ Logo
Ankasan Sensör Teknolojileri – V15S-Y-V15/V15 70109844 Ürün Detayı

Pepperl Fuchs > Endüstriyel Sensörler > Bağlantı Teknolojisi > Sensör ve Aktüatör Dağıtıcıları

V15S-Y-V15/V15 - 70109844

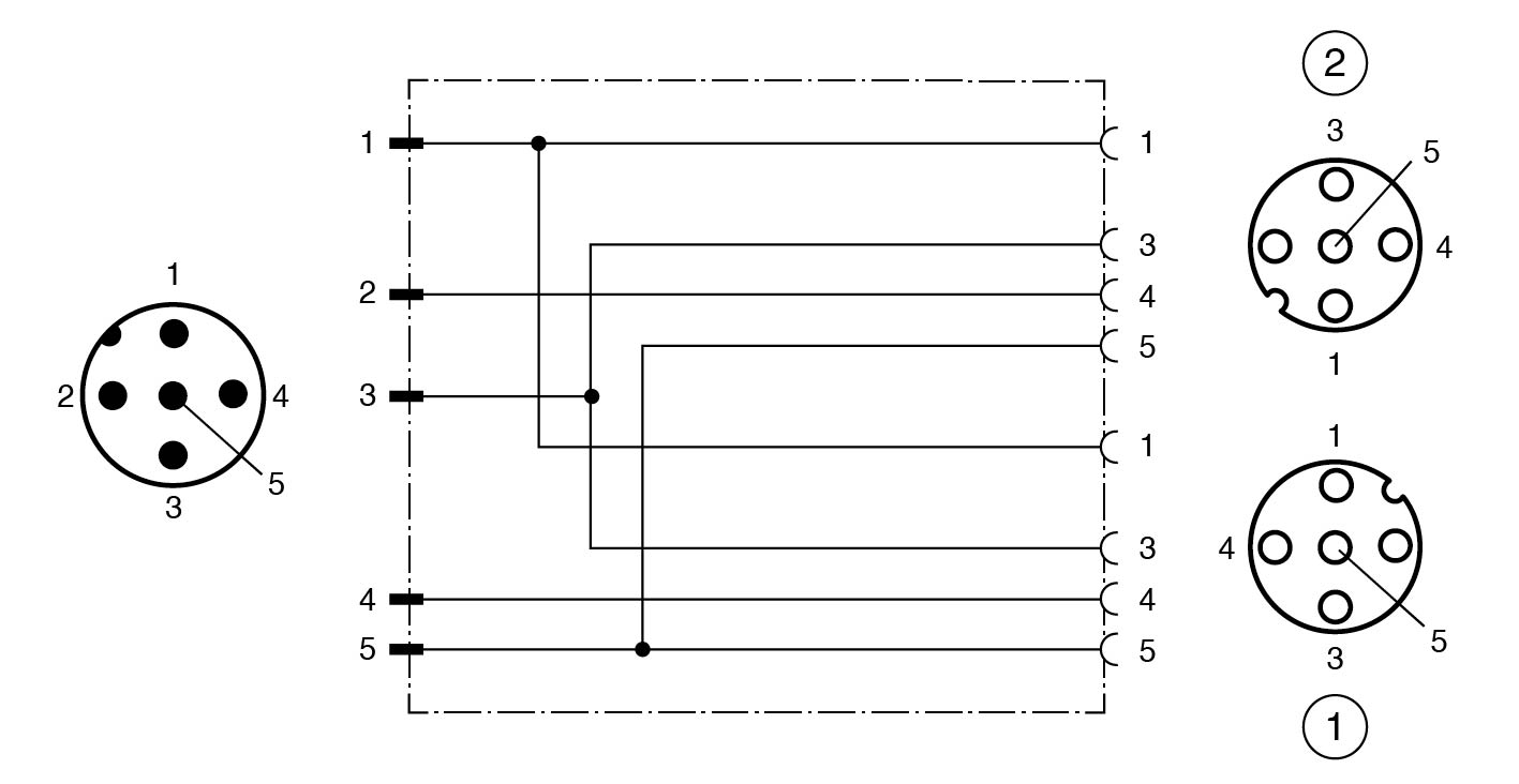
Y-Ayırıcı

Öne Çıkan Özellikler

Easy merging of two signals at a single M12 slot

Degree of protection IP67

Free of paint wetting interfering substances

UL Recognized Component

Knurled nut suitable for tool assembly

Immunity to vibration, with mechanical latching

Meets the VASS6 standard

📄 Datasheet İndir 💬 Teklif Al

WhatsApp
Ankasan
Çevrimiçi

Merhaba 👋
Size nasıl yardımcı olabiliriz?