Şirket Logosu
Sağ Logo
Ankasan Sensör Teknolojileri – NCN3-F31K-N4-B13 70110340 Ürün Detayı

Pepperl Fuchs > Endüstriyel Sensörler > Fabrika Otomasyonu için Emniyet > SIL Seviyesi 2

NCN3-F31K-N4-B13 - 70110340

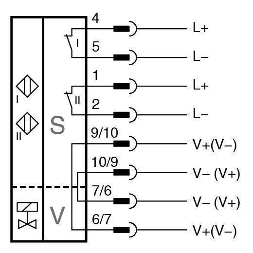
Endüktif Sensör

Öne Çıkan Özellikler

Direct mounting on standard actuators

Fixed setting

Cage clamp terminals

Usable up to SIL 2 acc. to IEC 61508

LEDs for switching state of sensor and solenoid valve

Valve LEDs disconnectable

ATEX & IECEX certifications

📄 Datasheet İndir 💬 Teklif Al

WhatsApp
Ankasan
Çevrimiçi

Merhaba 👋
Size nasıl yardımcı olabiliriz?